无源波分技术及其在5G通信中的应用研究毕业论文
2020-02-17 22:08:26
摘 要
在如今的时代背景下,人们的生活水平越来越好,对于移动设备和互联网的需求也越来越高,这种增长趋势的移动终端设备需要访问网络,这对于接入网来说是一个巨大的挑战。而按此速度,在不久的将来,个人用户的宽带需求将超过100M或更多,为了使用户体验到更好的接入网服务,有必要增加整个移动网络的覆盖范围和带宽容量。目前的有线接入网大量应用的是DSL技术和TDM-PON技术,虽然两者都可以提供不低的上行链路和下行链路速率,但具体到每个用户,其速率就较低,显然DSL和TDM-PON的速率并不能满足用户的需求,因此接入网具有“瓶颈”。而目前最行之有效的技术就是WDM-PON技术。
在4G移动通信网络发展趋于饱和的今天,许多发达国家已经率先开发和发展了5G移动网络。并有了一定的成果,但中国与之相比就尚处于孩提时代,刚刚起步,还需要进一步的研究和开发。 基于上述的情况,此文章先分析了5G通信的应用现状以及它的某些关键技术和所面临的一些问题。之后,研究了无边缘波分技术的相关原理,并对其中多波长光源部分进行了仿真分析。最后介绍了基于RSOA再调制WDM-PON的移动预传输系统。
关键词:WDM-PON;接入网;5G通信
Abstract
In today's era, people's living standards are getting better and better, and the demand for mobile devices and the Internet is also increasing. This growing trend of mobile terminal devices requires access to the network, which is a huge challenge. At this rate, in the near future, the broadband demand of individual users will exceed 100M or more. In order to enable users to experience better access network services, it is necessary to increase the coverage and bandwidth capacity of the entire mobile network. The current wired access network uses a large number of DSL technologies and TDM-PON technologies. Although both can provide low uplink and downlink rates, the rate is lower for each user. The rate of DSL and TDM-PON does not meet the needs of users, so the access network has a "bottleneck". The most effective technology at present is WDM-PON technology.
Today, as the development of 4G mobile communication networks becomes saturated, many developed countries have taken the lead in developing and developing 5G mobile networks. And there have been certain results, but China is still in its infancy compared with it. It has just started and needs further research and development. Based on the above situation, this article first analyzes the application status of 5G communication and some of its key technologies and some problems faced. After that, the related principles of the edgeless wavelength division technique are studied, and the multi-wavelength source part is simulated and analyzed. Finally, the mobile pre-transmission system based on RSOA re-modulation WDM-PON is introduced.
Key words:WDM-PON;Access network;5G communication
目录
第1章 绪论 1
1.1 无源波分技术的发展趋势 1
1.2 无源波分技术国内外研究现状 2
1.3 5G通信的发展 3
第2章 5G通信综述 5
2.1 5G现状及未来趋势 5
2.2 5G关键技术及面临的问题 7
2.2.1 5G通信关键技术 7
2.2.2 5G通信技术发展面临的问题 8
2.3 本章小结 9
第3章 WDM-PON技术研究及分析 10
3.1 WDM-PON基本原理 10
3.2 WDM-PON关键技术 11
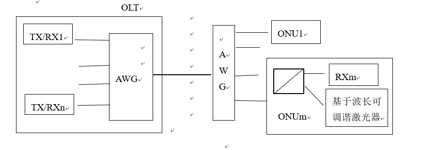
3.2.1 多波长光源概述及AWG系统仿真分析 11
3.2.2 波长监控概述 15
3.2.3 媒质访问控制(MAC)协议分析 15
3.3 WDM-PON中的无色化ONU技术分析及探讨 15
3.3.1 基于波长可调谐激光器 16
3.3.2 基于FP-LD激光器技术 16
3.3.3 基于再调制技术 17
3.4 基于RSOA再调制WDM-PON的5G移动前传系统 18
3.4.1 RSOA结构和工作原理 18
3.4.2 基于RSOA再调制WDM-PON的移动前传系统结构 18
3.5 本章小结 19
第4章 总结与展望 20
致谢 21
参考文献 22
第1章 绪论
1.1 无源波分技术的发展趋势
随着互联网和人民生活水平的发展,使得用户对信息及带宽的需求大幅度增加,特别是视频会议、网络游戏、IPTV等业务地不断涌现,极大地刺激了用户宽带网的发展。但是,宽带技术的发展并非总是一帆风顺。主要原因是现有网络在数字化和频带方面不尽如人意。据有关数据表明,在未来三年内,用户的带宽需求大大增加,甚至超过人均10M。怎样达到这个目标,是一项艰难的任务。解决这个任务需要很多的技术,而在这么多的技术中,接入网技术是至关重要的。接入网是解决利用现有的资源来增加业务类型,提高服务质量的问题。为了解决接入网的问题,介绍了WDM-PON技术。波分复用(WDM-PON)采用多波长信道来增加系统容量,并能支持大量的ONU。就目前而言,主要是接入的经济与否限制着访问网络的进一步发展,而接口的经济情况又受相当多的因素的制约,例如,用户的各方面的商业需求、使用这些接入的用户密度大小、用户本身的经济容纳量、接入的相关技术等,有针对各种接入技术和不同情况的开发战略。现有宽带接入技术包括有线接入技术和无线接入技术[1]。以下是当前应用的两种主要技术方案:
(1)WirelessAccess——即无线接续技术,是指在使用终端到交换节点这部分中,部分或全部采用了无线接续手段。典型的无线接续系统由控制终端、操作和维护中心、基站、固定用户单元和移动终端等构成。目前,在ATM基础上发展起来的CDMA无线接入方法应用广泛,其主要优点有:构造简单,操作简便,维护起来较为轻松。作为有线接入的有力补充,无线接入网络将在那些用户密度低,紧急需要电话用户线的区域和具有地理障碍的区域中占据重要地位。
(2)无源光网络——通常我们所说的无源光网络指的是一种纯粹的介质网络,众所周知,暴露在自然环境中的外部设备会受到自然环境中的雷电和电磁干扰,而无源光网络可以保护外部设备避免受到此类干扰,这样就从一定程度上减少了外部设备以及线路产生故障的几率。因此,它必须形成一个非循环拓扑—例如树、总线或星星—以避免反馈。目前,最合适的物理PON拓扑结构是树状拓扑。此外,单星型、层次星型和总线拓扑也可用于PON。所有无源光网络可分为两个组:一是基于包括APON、BPON和GPON的ATM;另一是基于仅由EPON构成的以太网。是多点光纤传输、接入技术的点。它使用上游和下游分时多址广播。有光缆资源的节约,带宽资源的共享,计算机室投资的节约,快速的网络构筑和合并网络构筑的低成本的优点[2]。
1.2 无源波分技术国内外研究现状
贝尔实验室于1994年首次提出了波分复用无源光网络技术和WDMPON技术,但由于当时光纤和光器件的成本,它们并未得到推广。“十一五”期间,中国为未来考虑,光接入要求使得能够实现低成本的多波长以太网综合接入系统。
在80年代后期,WDM PON的概念被提出,而一些实验解决方案,在90年代中期以后出现。其中最早的本地接入路由网(LAR-Net)和终端询问网(RITE-Net)这两个概念是由一位名叫Lucent的学者提出的。为了方便理解,我将LAR-Net系统在图1.1展示出来,就图中所示,光线路终端OLT使用具有12个波长的多频激光器,与此同时,它还能够在同一时间段调制多达9个信道,并且每个信道仅仅3.2nm。LAR-Net是一种复合型PON系统,其上行采用时分多址或者副载波复用多址。德国的U.Hilbk等1997年报道了复合型PON实验系统,结构与LAR-Net类似,共有8个信道,信道间隔200GHz,每信道速率2.5Gb/s。
在LAR-Net中,用户数受MFL信道数的限制。Lucent的C.R.Giles,S.B.Jason等提出了两种改进的方案,序列脉冲调制WDMPON和啁啾脉冲光源WDMPON。前一种方案在OLT中使用一个8信道MFL光源。中心波长1550纳米,信道间隔1.6nm,并且由连续的脉冲调制而生成2.35ns的间隔的426MHz的波长编码脉冲串,然后通过2级光功率分配器与光放大器分布,它可以支持144个PON和实现1152个用户共享一个下行速率为53兆比特/秒的光源。后一种方式使用了光脉冲wdm光源。使用毫秒激光器1 . 5μm附近的毫微秒脉冲产生。在透过长度15 km的标准单一模式光纤之后,脉冲膨胀,线性频率响起[3]。
图1.1 本地接入路由网结构框图
上述的三种方案只考虑了下行传输,目前有两种系统方案在下行和上行传输中都应用WDM技术,它们分别采用光环同技术和频谱分割技术。
如果需要佐证光环回技术,那就不得不提到RITE-Net这一应用了。它是将部分下行链路的光信号设置为载波,然后再经过ONU的处理和调制之后,再将其发送到OLT。光环回技术在一定程度上避免了可调谐激光器在ONU中的使用,降低了访问成本。然而,缺点是OLT源的输出功率必须增加以支持下行链路和上行链路传输。此外,通过双光纤的方式来传输上行链路和下行链路信号,这样的好处就是可以避免由瑞利散射产生的干扰[4]。
另一种获得广泛应用的是频谱分割技术。Lucent在1996年报道了采用LED的6信道,每信道155Mb/s的频谱分割WDM PON实验系统,1998年报道了使用无制冷的F-P激光器作为宽带光源的频谱分割WDM PON系统,改善了系统功率预算紧张的问题。韩国高级科学技术研究院的D.K.Jung等1998年报道了15信道的频谱分割WDM PON实验系统,下行500 Mb/s,上行155Mb/s,在OLT中使用EDFA补偿上行频谱分段丢失,2000年揭晓使用LED作为宽带光源的15信道双向频谱分割WDM PON系统,每信道带宽155Mb/s,好不夸张的是它同时支持30个数字电视的广播信号毫无压力。15年前,韩国的电信报道过一款全业务的WDM PON,支持32个信道,每信道带宽125 Mb/s[5]。
1.3 5G通信的发展
人类追求高质量通讯的脚步从未停止,从结绳记事到烽火狼烟,可是随着科技的发展,人类所拓宽的领域也就越来越广阔,但这样一来,我们所需要传递的消息的跨度也就愈来愈大。但是直到第一代移动通讯网络技术(1g)的面世,人类才发现无线通信相较于以前的老式通讯方法是有多么地便利,被众多的人所推崇。追根溯源,1G技术首先是在日本被提出,而这一技术又是被 NTT(Nippon Telephone and Telegragh)系统所实现,在那之后才逐渐传播到欧洲。在1G的通讯速率渐渐不能够满足人们更高的需求时,八十年代诞生的集成电路,又为人们打开了新世界的大门,它使得我们现在常说的数字通信在当时成为了现实,由此诸如 GSM、IDEN 等为代表的2g 网络通讯系统如雨后春笋般开始萌发。而伴随着无线通信的改朝换代,数据流量的需求再一次呈现爆发式增长,相交于第一次,这一次的爆发更加猛烈,所以在众望所归之下,第三代网络通讯技术(3g)应运而生,开创式地实现了视频通话、VoIP(网络电话服务系统)等之前我们想也不敢想的服务。不久之后,又一轮科技进步和信息革命的到来,我们迎来了今天的4G ,它不光拥有更快的网速,容量也进一步提升,更优秀的是它令人惊叹的智能化。早在10年之前,华为技术有限公司就先人一步地投身于到对5G网络通讯技术的研发,在这之后,我们所知的信息大国如美国才开始跻身到5G 研究的行列之中,而令人激动地是,在2020年前后,我们就有望见到期盼已久的5G。
第2章 5G通信综述
2.1 5G现状及未来趋势
2017年,这是一个特殊的年份。在这一年,全球5G移动通信时代悄然来临。中国也高度重视5G的发展。在政府的大力推动和鼎力支持下,我国5G产业正迎来高速顺畅的发展,关键技术也正在加速突破。事实上,中国在推进5G发展方面已经处于全球领先地位。目前,中国的5G研发已经进入第二阶段的测试阶段。5G进展顺利,许多现场试验已完成,还有许多其他工作正在稳步进行。
从我们自己的身边来看,涉及我们生活的许多行业都将与5G网络进行物联结合,在日常工作中的种种业务中,5G也正在蓬勃兴起:
1.汽车领域——随着人工智能技术的崛起,汽车的自动驾驶也逐渐进入了人们的生活,并在智能启辰网络的背景下运行;虽然汽车网络需要始终与云、基础设施和其他车辆进行通信,但没有稳定的数据传输,它将无法顺畅运行。而5G就是解决这一难题的关键技术。
2.端到端技术领域——虽然5G网络可以提供强大的速度和服务,但为了达到预期的目标,干扰问题必须得到彻底解决,所以它是非常重要的以减少干扰。业内也需要新的调制方案以减少能源消耗,最大限度地减少干扰。数据泛滥的最重要的特征是终端对终端数据的生成和处理。因此,识别技术、采集技术、传输技术将成为关键的研究领域,面对英特尔已经建立的基准,端到端解决方案将成为未来投资者的兵家必争之地。
3.手机领域——通信技术经历了从1G的“大哥大”到4G的“移动”时代跨度,因此通信技术大幅增长,现在我们所用的4G手机完全不能贴合5G网络的要求,也不能在5G网络下使用,这意味着,我们要体验它,必须要换5G手机。在经历了智能机爆发之后,手机市场已经达到饱和和上限。为了刺激消费者的需求,各大厂商纷纷押宝5G。小米、OPPO、VIVO等手机品牌商都在抢发5G手机。预计,国内主流品牌手机都会在2019年推出5G手机。
4.5G为无线标准奠定基础,带领我们走进2030年和未来。展望未来,随着视频共享在社会中越来越普遍,移动数据的产生和消耗丝毫没有减缓。但是,随着我们进入即将到来的机器时代,在未来,连接也意味着与我们身边的世界相连。我们正迈入数字转型时代,届时,我们的日常生活和工作也深受其影响。虽然当前智能手机充当人与信息之间的接口,但未来的设备将积极地相互通信,不受人类互动的影响,通过密集的互连传感器网络监控我们周围的环境。以高可靠性和低延迟连接每个人、连接万物的强大移动网络,是即将到来的数字型的转核心。虽然作为工程师,我们更关注带宽、延迟等新兴规范,但5G的基础之一是灵活性。如果我们观察这些规范是如何形成的,就可以看到人们正在定义波形,希望通过规定还未预想到的用例来实现目前设想的一系列用例。
目前,行业5G焦点的相当一部分是增强移动宽带,利用中频和高频频谱中的波束成型技术向高网络容量和更高吞吐量发展。我们也开始看到利用5G网络架构低延迟特性的用例兴起,例如工业自动化。无线电技术在一些方面对5G贡献还是比较大的,增强移动宽带推动了对更高数据吞吐量和更高网络容量的需求。蜂窝基站容量可通过三大措施予以提高:获得新频谱,提高基站密度,以及改善频谱效率。虽然我们不断看到全球为移动应用提供新的频谱,并且网络密度通过增加小型蜂窝而提高,但仍然非常需要改进可用频谱的利用率。近年来兴起的大规模MIMO技术可显著改善频谱效率。大规模MIMO涉及到使用大量有源天线元件,这些天线可以通过相干方式进行调整,以精确地将信号传递给空间中的目标用户,同时控制对其他用户的干扰。大量天线与信号处理算法相结合,使系统实质上将频率复用扩展到微观尺度。这给频率复用引入了一个新因素,现在可以使用空间让基站能同时并在同一频谱中向多个用户传送独立的数据流。这导致频谱效率大幅提高,进而大大改善蜂窝的吞吐量。图1显示了这样一个系统。天线在物理上显示为面板,其上安装有许多辐射器(天线振子)。每个辐射器后面是无线电信号链。全球许多移动运营商已完成大规模MIMO试验,预计在2019年至2020年,早期采用者就会开始商业部署该技术,以支持网络中最拥堵地区的通信。展望未来,随着大规模MIMO技术的演进和3GPP无线标准中新特性的增加,我们预计这种无线电规格会在全球移动网络中普及[6]。
这项技术给工程界带来哪些挑战?在大规模MIMO系统中,我们给系统添加了更多无线电通道,使其从普通8T8R(8个发射器、8个接收器)TDD(时分复用)无线电头端扩展为64T64R系统。虽然大规模MIMO系统能大幅改善基站容量,但其代价是无线电头端的复杂性提高。传统无线电部署采用无源天线罩,由远程无线电头端通过电缆馈送信号。大规模MIMO物理结构基于有源天线架构,现在有源无线电信号链嵌入天线组件中。这些无线电系统通常是塔式或杆式安装,因此有源天线系统的容许尺寸和重量存在限制。天线尺寸由天线元件间距决定,而直流功耗也是影响系统重量的关键因素。为在尺寸、重量和功耗限制范围内实现所需的无线电性能,无线电设计人员面临着许多技术挑战。
ADI产品支持5G有多种途径,例如有多种方法可以减小无线电系统的尺寸、重量和功耗,最常见的方法是利用电路集成和摩尔定律来缩小尺寸并提高功效比。ADI公司提倡通过系统级方法解决这些重大问题。当然,集成是最直接的无线电收缩办法,但集成本身也许无法产生预期的好处。然而,如果我们分割系统并优化集成架构,便能产生令人印象更深刻的结果。例如,如果我们基于可减少和/或消除大滤波器及其他无源要素的无线电架构进行构建,便能得到一个综合性能出色的解决方案。再比如,由于采用了零中频无线电架构,整体系统复杂性和功耗降至最低,故能实现很高的无线电功能集成度。ADI公司的集成CMOS无线电收发器产品系列基于零中频架构,能够带来高集成度,显著改善整体无线电系统的大小、重量和功耗。除了CMOS无线电收发器之外,ADI公司还提供用于无线电前端信号链的各种高性能RF器件系列、精密监测和控制功能、高效电源管理电路。
以上是毕业论文大纲或资料介绍,该课题完整毕业论文、开题报告、任务书、程序设计、图纸设计等资料请添加微信获取,微信号:bysjorg。
相关图片展示:








