基于linux的光电测试装备的方案设计毕业论文
2020-02-17 22:07:49
摘 要
光电测试技术以其非接触、高精度和高速的检测特性成为现代测试技术的热点之一。随着光电测试产业的不断发展,光电测试产线对测试效率的要求不断提高,为了使得光电测试装备体积更小,更加智能,于是便提出了基于Linux的光电测试的方案设计。
论文主要分析了光电测试和嵌入式Linux的研究现状以及研究的目的意义,初步设计出了光电测试的方案,并且对方案中各模块所用到的硬件电路以及器件的选型做了介绍,这些模块包括:光源、光电探测器、电流电压转换电路、放大电路、微控制器、模数转换、LCD、UART和测温模块。同时还对电流电压转换电路和放大电路进行了仿真,对A/D转换、UART、LCD和触摸屏模块进行了简单的程序设计。经过实验,验证了电流电压转换电路与放大电路设计的正确性,并且通过自己的理解和查阅相关资料对程序运行的结果进行了预测,预测通过运行程序可以实现嵌入式与计算机的通信、实现模数转换、实现LCD显示以及捕获触摸点的位置。
论文的最后对所研究的光电测试系统进行了总结,并且指出了未来需要进一步研究的方向。
关键词:光电测试;嵌入式;Linux;S3C2440
Abstract
Photoelectric testing technology has become one of the hotspots of modern testing technology with its non-contact, high precision and high speed detection characteristics. With the continuous development of the optoelectronic test industry, the requirements for test efficiency of the optoelectronic test production line have been continuously improved. In order to make the optoelectronic test equipment smaller and more intelligent, the design of the photoelectric test based on Linux is proposed.
The paper mainly analyzes the research status of optoelectronic testing and embedded Linux and the purpose of the research. The design of optoelectronic testing is preliminarily designed, and the hardware circuits and device selection used in each module of the scheme are introduced. These modules are introduced. Including: light source, photodetector, current and voltage conversion circuit, amplifier circuit, microcontroller, analog to digital conversion, LCD, UART and temperature measurement module. At the same time, the current voltage conversion circuit and the amplification circuit are simulated, and the A/D conversion, UART, LCD and touch screen modules are simply programmed. After experiments, the correctness of the design of the current-voltage conversion circuit and the amplifying circuit is verified, and the results of the program operation are predicted through their own understanding and consulting related data. It is predicted that the communication between the embedded and the computer can be realized by running the program. Number conversion, LCD display and capture of the location of touch points.
At the end of the paper, the photoelectric test system studied is summarized, and the direction for further research in the future is pointed out.
Keywords: optoelectronic test; embedded; Linux; S3C2440
目录
第1章 绪论 1
1.1课题背景 1
1.2 研究目的及意义 1
1.2.1光电测试的目的及意义 1
1.2.2 嵌入式Linux的目的及意义 1
1.3国内外研究现状分析 2
1.3.1光电测试的现状 2
1.3.2嵌入式Linux的现状 3
1.4论文主要内容 3
第2章 光电测试指标和方案设计 5
2.1半导体激光器参数分析 5
2.1.1 半导体激光器的特性参数 5
2.1.2 温度对半导体激光器的影响 6
2.2总体方案 6
2.2.1需求分析 6
2.2.2方案设计 7
2.3 本章小结 8
第3章 硬件设计和仿真 9
3.1光源 9
3.2光电探测器的选取 9
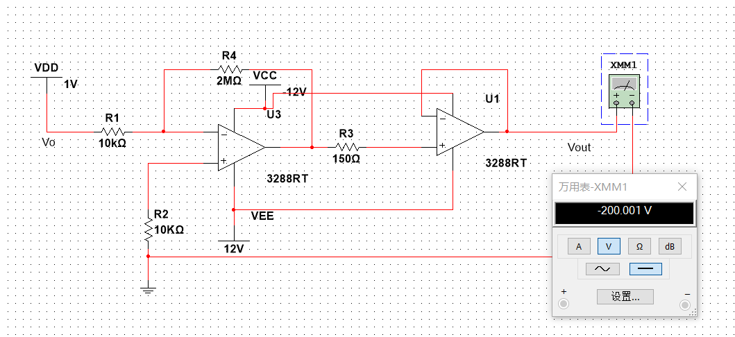
3.3 I/V转换电路 11
3.4放大电路 12
3.5微控制器的选择 13
3.6测温模块 14
3.7本章小结 15
第4章 系统软件设计 16
4.1交叉编译环境的搭建 16
4.2 UART程序设计 17
4.3 A/D转换电路程序设计 19
4.4 LCD程序设计 20
4.5触摸屏程序设计 26
4.6 本章小结 28
第5章 总结与展望 29
5.1课题总结 29
5.2未来展望 29
参考文献 30
致谢 31
第1章 绪论
1.1课题背景
随着光电测试产业的不断发展,光电测试产线对测试效率的要求不断提高,为了使得光电测试的装备小型化和智能化,因此便提出了基于Linux操作系统的光电测试装备的设计方案。
1.2 研究目的及意义
1.2.1光电测试的目的及意义
光电测试技术以其非接触、高精度和高速的检测特性成为现代测试技术的热点之一,正好满足现代生产的要求,并且促进了测试技术的发展。近年来,随着各种新型光电探测器的出现,以及众多电子技术的发展,光电测试系统可以精确测量的器件越来越多,系统也越来越完善,对光电领域发展的影响日益增大。
光电子技术及其工业对促进国民经济和科学的可持续发展具有及其重要作用。美国商务部甚至指出,“谁在光电子行业中拔得头筹,谁就可以在本世纪的先进技术竞赛中成为龙头”。光电领域最重要的部分莫过于光电测试技术,故该技术颇具竞争力。毫无疑问,它对经济的竞争具有深远的意义。
与此同时,发光二极管因其体积小、价格低等优点在近年来飞速发展,成为光电领域的一颗新星,并且已经广泛应用于很多系统当中。
半导体光源因效率高、环保、低能等优点被认为是21世纪最有前途的高科技领域之一,并且还被认为是新型的“绿色”光源。为了能在这一领域占据制高点,国际大型工厂正在大力投资研发。
因此利用先进的光电测试技术对这些半导体光源以及其它光源进行测试,从而获得它们的相关参数以及特性曲线,进而对这些光电器件进行性能的评估,并且还可以进行适当地改进,从而更好地促进这一领域的发展[1][2]。
1.2.2 嵌入式Linux的目的及意义
从某种程度上来说,嵌入式系统可以看做是小型的计算机,而且它的实用性很强。嵌入式的硬件和软件可以轻松定制,以满足在功能,功耗和更多方面的严格要求。从系统实现的角度来看,嵌入式操作系统首先应该具有较高的实时性能;其次,代码少、运行速度快以及可靠性高也应该尽力满足。基于Linux的嵌入式系统意味着Linux小型化后,它可存在于体积很小的内存芯片当中,是特定嵌入式应用程序的特定Linux操作系统。因此,嵌入式Linux的优势不言而喻,具体如下:
(1)Linux系统分层且代码开源,并且其由许多体积比较小而且性能良好的的系统模块组成。嵌入式Linux内核代码的完全开放为那些对Linux开发感兴趣的用户提供了很好的机会,他们可以根据自己或者他人的需求对源代码进行修改,从而开发出真正满足用户需求的嵌入式系统。
(2)网络支持功能非常强大。随着互联网的发展,Linux应运而生,并且其继承了Unix的许多特点。Linux内核支持的基本协议很多,例如TCP、IPv4、IPX、DDP、AX和FTP,并可以基于这些协议为用户提供丰富的网络服务。
(3)广泛的硬件支持特性。Linux操作系统可移植于许多处理器上,Linux中最常用的微处理器是英特尔的x86系列的芯片,这表明嵌入式Linux未来的应用领域将会非常广泛[4][5]。
若将嵌入式Linux应用于光电测试系统当中,作为整个系统的核心控制单元,那么将会使得最后设计出来的设备体积较小,而且还可以实现自动控制、利用触屏进行人机交互等优点,再加上Linux代码的开源性,大大降低了软件开发的难度[3]。
1.3国内外研究现状分析
1.3.1光电测试的现状
随着光电器件的发展,能够对光电器件进行参数测量和性能评估的测试技术以及测试设备显得尤为重要。因此,目前测试设备一直占有着很重要的地位,并且发展前景相当乐观。
在标准的测试设备中,原标准金属的凝固点温度范围为-78~1772℃,测量不确定度小于0.3‰。标准黑体的温度范围为-50~3300℃,不均匀度小于0.01℃,绝对辐射计的不确定度为0.1%~0.3%,响应为363mv/w·c㎡,辐射计的光谱范围为380~50000nm,测量精度小于10nm,温度范围为243~3273K,分辨率为小于0.01℃。光强测量基准装置的测量范围为400~1400cd,精度δ为0.28%。光强测量基准装置的测量范围为3~1000cd/㎡,精度δ为0.8%。室内外试验设备的测量精度δ为3%~10%,测量温度3000℃以下,灰度256级,调制频率可达100MHz,红外目标源控温精度在0.1~5℃范围内。
但是在光电测试取得飞速发展的同时,也存在着诸多的问题,诸如测距范围比较小、精度不够高等等。而且现场的光电测试设备比较稀少,甚至还有一些设备精度非常低,根本满足不了测试的要求。同时测量工作环境的设备精度不够高,工作过程繁琐,不易应用。
从未来的角度出发,我们应该重点研究纳米级别测量精度的多光谱自动测量技术,其测量范围为50um,能量密度或辐射功率的相对误差小于1~2%。除此之外,我们还应研究几千J和数百万MW的强激光探测技术、6000℃以上的辐射测量技术和红外成像探测设备等重要测试技术。
1.3.2嵌入式Linux的现状
嵌入式Linux是根据特定的要求来进行具体的设计,由两大部分组成,分别为内核和系统模块。Linux因其代码开源和软硬件轻松定制,故用户可根据自己的需求进行开发。总体来说,整个系统所占空间不会超过几M。目前,国外众多高校以及公司、企业纷纷加入了嵌入式Linux的开发,愈发成熟的嵌入式Linux产品也在呈现井喷的趋势。
RTLinux操作系统是由新墨西哥理工学院进行开发,继承了Linux的众多特性,并且已经应用于数据采集、图像处理、测控等许多领域。RTLinux不仅为用户提供了复杂的实时内核,还可以使用户将标准的Linux内核进行实时调度,从而成为核心进程。这种方法的优点是对Linux的更改做到最小,并充分利用Linux平台下丰富的软件资源。
Lineo的Embedix是一个Linux发行版,是基于嵌入式的特点重新设计。该Embedix操作系统需要的内存至少8M和闪存3M。Embedix的内核版本是Linux2.2,它可以将它移植到英特尔的x86或PowerPC处理器后成功运行。
Pocketix是由博里斯公司进行研发,特点在于它是一款嵌入式Linux的中文操作系统,它继承了Linux的许多特点,系统模块也在其中。该操作系统支持TCP/IP协议,支持智能拼音和五笔字型输入等众多功能。Pocketix操作系统应用非常广泛,其中包括笔记本电脑、无线应用协议手机、机顶盒等多种智能产品。
进入了新世纪,网络时代也随之而来,将嵌入式系统与因特网相结合是大势所趋。信息时代给嵌入式系统未来向前发展带来机遇的同时也带来了诸多全新的挑战。目前,嵌入式Linux与因特网的相互结和促进了相应技术的迅猛发展。嵌入式系统的研究与应用产生了以下重大变化:
(1)随着新型微处理器的出现,由嵌入式操作系统设计的架构迁移更方便,并能支持多个微处理器,可以在很短的时间内运行。
(2)通用计算机应用的新概念、新技术已经移植到嵌入式系统中,嵌入式软件平台进一步完善。
(3)精简操作系统的内核,对操作系统的算法进行进一步的优化,降低嵌入式设备的功耗和运行成本。
(4)提供更友好的人机交互界面。
1.4论文主要内容
第一章介绍了光电测试和嵌入式Linux的现状以及研究的目的意义。
第二章介绍了光电测试的测试指标与方案设计。
第三章对光栅单色仪进行了简单分析,对光电探测器、微处理器和测温模块芯片进行了选型,同时还对I/V转换电路和放大电路进行了仿真分析。
第四章对UART、A/D转换、LCD、触摸屏这四个模块进行了程序设计,并且对测试结果给出预测。
第五章主要是对全文的总结以及之后还需进行的工作。
第2章 光电测试指标和方案设计
2.1半导体激光器参数分析
2.1.1 半导体激光器的特性参数
(1)半导体激光器的V-I特性
激光二极管的V-I特性可以反映出其结构的优劣,其V-I特性曲线如图2.1所示:
图2.1 半导体激光器的伏安特性曲线
(2)半导体激光器的P-I特性(又称I-L特性)
由激光器发射的总光功率和注入总的电流之间的关系被称为P-I曲线(也被称为I-L曲线)。当电流为零时,光功率也为零。随着注入电流的增大,激光器逐渐增加自发幅射,并且当电流增大到一定程度时,它开始受激辐射。其中,自发辐射与受激辐射临界处所输入的电流称为阈值电流。对于半导体激光器来说,较低的阈值电流代表了其更良好的性能。它的I-L特性曲线如图2.2所示:

图2.2 半导体激光器I-L特性曲线
由图2.2可知,当注入电流超过某一个值时,输出光功率和注入电流应该是呈线性关系,即关系曲线的一阶微分应该是个定值,或者在这个定值的小范围内波动。如果一阶微分的值与定值差距太大,那么我们有理由认为这个半导体激光器是存在缺陷的。
(3)半导体激光器的阈值特性
阈值特性表征了激光器的增益与损耗之间的平衡关系。半导体激光器主要的作用便是将注入其中的电流转化为光信号,其阈值电流密度这一参数常用于衡量激光器的性能。阈值电流密度在数值上等于阈值电流的大小与激光器面积大小之比,并且阈值电流密度是直接衡量制作器件材料质量好坏的参数之一, 对于半导体激光器,我们总是希望它的电流密度的阈值很低。当计算半导体激光器的阈值电流密度时,阈值电流是可直接测量的参数,但却难以精确测量激光器的面积。因此,阈值电流也常用于评估激光器的性能[4][5][6]。
2.1.2 温度对半导体激光器的影响
半导体激光器对温度的变化非常敏感,温度的变化不但影响阈值特性和输出光功率,而且还会影响到激光器激光的波长和模式特性。
(1)温度对阈值特性的影响
半导体激光器的阈值电流的大小受温度影响非常严重。温度升高,半导体激光器的阈值电流便会增大, 并且对于不同结构和不同材料的激光器来说,阈值电流的增大幅度是不同的。
(2)温度对输出光功率的影响
当半导体激光器的工作温度发生变化时,即使注入恒定的电流, 激光器的输出光功率也会有显著的变化,对于InP这种材质的半导体激光器来说,其阈值电流对温度的敏感度将会更加明显。
(3)温度对输出光波长的影响
随着激光器温度的升高,制造激光器的材料的折射率相比之前会有所变化,导致谐振腔尺寸增大,最终使得光波长的峰值向波长方更长的那一侧移动[7]。
所以,在测量激光器的特性曲线时,必须对温度进行严格的控制。
2.2总体方案
2.2.1需求分析
随着各种光电器件的飞速发展,可以准确测量这些器件的特性参数变的越来越重要。之前的光电测试设备体积偏大,而且很多都已经满足不了当下的需求。嵌入式系统具有小型化且可以自动控制的优点,再加上Linux操作系统代码开源,具有许多对其感兴趣的开发者,故基于Linux的光电测试的方案便被提上了日程。
随着智能手机的发展,触屏的智能化越来越受到青睐,而嵌入式系统的外设当中刚好有LCD触摸屏,因此可以充分开发嵌入式系统触摸屏的功能,并且与光电测试相结合,最终实现光电测试装备的小型化、智能化。
以上是毕业论文大纲或资料介绍,该课题完整毕业论文、开题报告、任务书、程序设计、图纸设计等资料请添加微信获取,微信号:bysjorg。
相关图片展示:





![C:\Users\lenovo\Documents\Tencent Files\2501832723\FileRecv\MobileFile\Image\T47VVH(W7KV7HKOD`]~6CT5.png](http://www.biyelunwen.org/wp-content/uploads/2020/02/lw9181_202021722747585.png)



