基于0.35um的非制冷热成像芯片电压偏置电路研究毕业论文
2020-04-22 19:48:24
摘 要
集成电路(IC)自20世界60年代诞生到现在得到了飞速的发展。带隙基准电压源作为模拟集成电路的一个基本模块,已经得到了国内外越来越多的学者的重视。带隙基准源拥有低温度漂移系数、高电源抑制比和电源调整率小等特点,可以大幅度降低温度、电源电压变化对输出电压的影响。在集成电路中使用带隙基准电压源给芯片供电,可以为芯片提供更高精准度和稳定性的电压。
本文首先调查了目前人们对带隙基准电压源的研究情况,其次引入了带隙基准源的工作原理,列举了三种经典的带隙基准源结构,接下来几种介绍了带隙基准源高阶温度补偿的方法,思考了几种误差的来源并提出了解决的方法。最后在SMIC 0.18um工艺上构思出了一款带隙基准电压源。通过Cadence软件对带隙基准源仿真,该电压源在-40~85温度范围内基准电压变化为0.001V,温度系数为6.6,线性调整率为0.86V/V,增益带宽为0.256.2KHz,电源抑制比为-90.33dB。
关键词:带隙基准源 温度系数 电源抑制比 温度补偿
Abstract
Integrated circuit (IC) has developed rapidly since the first silicon IC was successfully fabricated in the 1960s. As an important unit of analog integrated circuits, more and more scholars at home and abroad pay attention to bandgap refenence. Bandgap reference has the characteristics of low temperature drift coefficient, high power supply rejection ratio and small power supply regulation rate, which can greatly reduce the influence of temperature and power supply voltage changes on output voltage.
Firstly, this article investigates the research status of bandgap reference at present, then introduces the working principle of bandgap reference, analyzes and compares several classical bandgap reference, analyzes the error factors affecting the performance of bandgap reference, and analyzes the high-order temperature compensation method of bandgap reference. Finally, based on the bandgap theory, devising a bandgap reference voltage source by SMIC 0.18um process. The bandgap reference is simulated by Cadence, the temperature coefficient is 6.6 ppm/℃ in the temperature range of -40℃~85℃. The linear adjustment rate is 0.86V/V, the gain bandwidth is 256.2KHz and the power supply rejection ratio is -90.33dB.
Key Words:Bandgap reference; Temperature coefficient;PSRR;Temperature compensation
目录
摘要 I
Abstract II
第一章 绪论 1
带隙基准电压源研究的背景和目的 1
本课题的国内外研究现状 1
本文的工作安排 3
第二章 带隙基准源结构的本质 4
2.1 带隙基准源的工作原理 4
2.1.1 负温度系数电压 4
2.1.2 正温度系数电压 5
2.1.3 零温度系数电压的实现 5
2.2 带隙基准源的性能指标 6
2.2.1 线性调整率 6
2.2.2 电源抑制比 6
2.2.3 温度系数 6
2.3 几种经典的带隙基准源结构 7
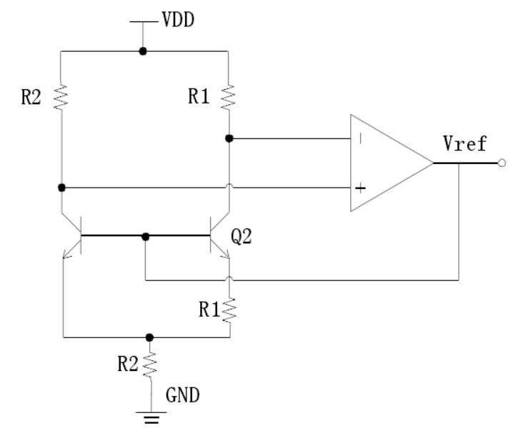
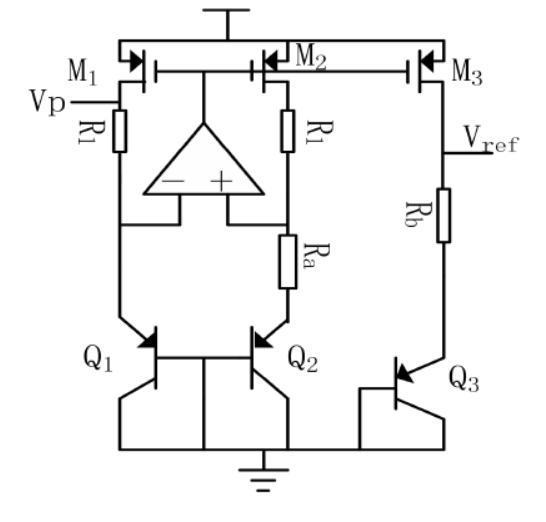
2.3.1 Widlar带隙基准源结构 7
2.3.2 Brokaw带隙基准源结构 8
2.3.3 Kujik带隙基准源结构 10
2.4 本章小结 10
第三章 带隙基准源的误差来源和几种高阶温度补偿的方法 12
3.1 带隙基准源的误差来源 12
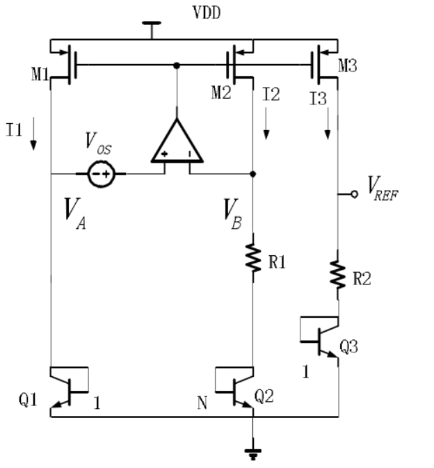
3.1.2 放大器输入失调电压 12
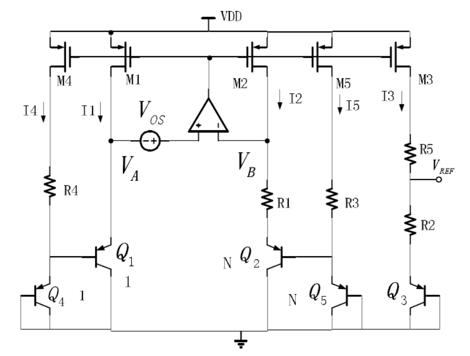
3.1.2 镜像电流源失配 15
3.2 高阶温度补偿的方法 16
3.2.1 线性化温度补偿 17
3.2.2 利用不同温度系数电阻进行温度补偿 18
3.2.3指数型曲率温度补偿 19
3.3 本章小结 20
第四章 带隙基准电压源的设计及仿真 21
4.1 带隙基准电压源的设计 21
4.1.1 带隙基准源核心电路的设计 21
4.1.2 自偏置运算放大器的设计与仿真 22
4.1.3 启动电路的设计 24
4.2 带隙基准电压源性能仿真 25
4.2.1 瞬态仿真 25
4.2.2 温度系数仿真 26
4.2.3 线性调整率仿真 27
4.2.4 电源抑制比仿真 27
4.2.5 噪声仿真 28
4.3 本章小结 29
第五章 总结 30
参考文献 31
致谢 34
绪论
带隙基准电压源研究的背景和目的
红外热成像是一种利用环境中检测目标的热辐射,通过一定技术手段呈现出物体温度分布图像的技术。与制冷型红外热成像技术相比较,非制冷红外热成像因为不需要复杂的光机扫描系统和制冷机构,使得其具有更高的可靠性,更小的体积,更低的价格和更低的功耗[1]等优势在近几年来得到了飞速的发展,在国防建设和民事应用上都占据了十分重要的地位。非制冷红外热成像技术是通过焦平面阵列吸收周围环境物体散发的红外辐射导致焦平面阵列温度升高,再通过热敏电阻将温度变化转变为电流大小的变化传输给红外热成像图像处理芯片,最后形成红外采集图像。因此,为了提高红外图像的准确度,应该避免芯片因电源电压波动引起的电路自身的电流变化,以及温度变化而引起的电源电压波动。所以,为了提高红外热成像技术的准确率,其电源电压不能受工作环境的影响。
带隙基准电压源因为电源抑制比高、温度系数低,电源电压波动、温度变化等对带隙基准源电压的影响非常小,带隙源作为模拟集成电路中的重要模块,向其他电路模块提供高精度的电压基准或电流基准,其输出电压或电流不随温度、电源电压、工艺、负载变化[2],能够满足非制冷红外热成像芯片对高精度电源电压的要求。
本课题的国内外研究现状
带隙基准结构是1973年由美国人Wildar发明,由于它具有功耗低、易大规模集成、稳定性高、抗干扰能力强以及与标准CMOS工艺兼容等特点,带隙基准在各种电路中的应用十分广泛。近几年,随着集成电路的飞速发展和日益复杂的SOC(system on chip)系统,传统的带隙基准无论是在温度系数、电源抑制比还是功耗、精度等方面都不能满足集成电路设计的要求。为了提高带隙基准的性能,国内外许多科学家对带隙结构进行了非常多的研究,其研究内容主要集中在以下几个方面:
相关图片展示:









