太赫兹通信系统中现代调制技术的研究与仿真毕业论文
2020-03-28 12:18:39
摘 要
在科学技术飞速发展的今天,微波通信技术和光通信技术已经取得高速发展并先后获得巨大成功。而近年来,利用介于微波和毫米波之间的太赫兹波进行通信开始成为研究的热门课题,较前两者而言,它具有传输容量大、穿透性强、频带宽和抗干扰能力强等优点,因此太赫兹通信有着广泛的发展前景。而对于太赫兹通信来说,合适的太赫兹调制技术对太赫兹通信系统起着至关重要的作用。通过利用Simulink仿真工具箱,建立了16QAM、QPSK和脉冲调制这三种调制方式下的太赫兹通信系统,其中16QAM与QPSK除调制方式外其他参数均相同以此进行比较,而脉冲调制则与二者成另类的比较,通过三种调制方式的性能分析,给出调制方式对于太赫兹通信系统在系统传输速率和误码率等方面的影响。
关键词:
太赫兹通信;太赫兹调制;系统仿真;倍频
Abstract
In today's rapid development of science and technology, microwave communication and optical communication technology have achieved rapid development and achieved great success. In recent years, the use of terahertz wave between microwave and millimeter wave has become a hot topic of research. Compared with the previous two, it has the advantages of large transmission capacity, strong penetration, wide bandwidth and strong anti-interference ability. Therefore, there is a wide range of development prospects for terahertz communication. This paper uses the Simulink toolbox to establish the terahertz communication system under the three modulation modes of 16QAM, QPSK and pulse modulation, in which the other parameters of the 16QAM and QPSK are the same as that of the modulation, while the pulse modulation is compared with the two, through the performance analysis of the three modulation modes. The influence of modulation mode on transmission rate and BER of terahertz communication system is discussed
Key words:
Terahertz Communication; Terahertz modulation; System simulation; frequency doubling
目录
摘要 I
Abstract II
第1章 绪论 1
1.1太赫兹的研究 1
1.1.1太赫兹概述 1
1.1.2太赫兹通信技术的研究现状 1
1.2太赫兹通信技术的研究与应用 2
1.2.1太赫兹技术 2
1.2.2太赫兹通信及技术的应用 4
1.3课题研究的意义 5
第2章 太赫兹波信道模型 6
2.1太赫兹在大气中的传输特性 6
2.2 MPM模型 7
2.3大气衰减系数分析 8
第3章 系统搭建原理和调制技术的选择 10
3.1系统架构 10
3.2通信系统的设计 10
3.3系统调制技术的选择 12
3.3.1 16QAM调制技术原理 13
3.3.2 QPSK调制技术原理 14
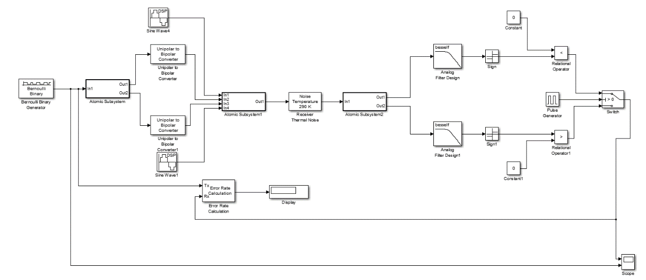
第4章 太赫兹通信系统调制技术的仿真 16
结论与展望 22
参考文献 23
致谢 24
第1章 绪论
1.1太赫兹的研究
1.1.1太赫兹概述
太赫兹(1THz=Hz)波是指频率处于0.1~10THz(波长为30μm~3mm),波长位于毫米波和红外光之间的电磁波[1],如图1所示。对于太赫兹波而言,其长波段主要与亚毫米波重合,因而太赫兹技术的发展此时主要依靠电子学方面的技术;而短波段主要与红外线重合,此时太赫兹技术的发展主要依靠光子学技术。因此,太赫兹波的位置正好处于宏观经典理论向微观量子理论的过渡区,它是最后一个人类尚未完全认知和利用的波段[2]。
图1 太赫兹电磁频谱图
就其优点而言,太赫兹波同时具有二者的共同性质,比如其穿透性较强、安全性较高、定向性非常好、带宽较高和抗干扰能力极强等优点,使其在通信系统方面较微波通信和光通信具有明显的优点,这些性质表明它具有巨大的科研价值和应用发展前景。例如:太赫兹波对介质材料具有良好的穿透特性,在正常损耗不大的情况下,对于塑料、纸张和陶瓷等具有很强的穿透性;太赫兹波的带宽很高,使得其在通信系统中的通信容量大,可运用于短距离无线通信、军事通信、短距离大气通信等场合;太赫兹波拥有良好的方向性,在穿透云层的同时,其来源基本不受时间的影响,探测器可以全天候工作[3]。
1.1.2太赫兹通信技术的研究现状
目前,国内外的太赫兹通信系统的研究现状如下:
日本的NTT公司是最早公布这方面成果的,其制造的120GHz毫米波无线通信系统可实现6路未压缩的高清晰度的电视节目信号远距离(gt;1km)同时传输;与此同时,日本福井大学已经研制出输出功率可达数万瓦,频率超过889GHz的回旋管。
俄国某应用物理研究所正在研制频率为1THz的回旋管,其中,脉冲磁场40T,脉宽0.1ms,电压30kV,电流5A,在一定的条件下,输出功率可以达10kW[4]。
德国布朗斯维克(Braunschweig)技术大学高频部分的通信实验室对太赫兹传输进行了大量研究,目前该大学建立了一种新型的室温下能够正常工作的半导体THz调制器—可使用两次时域频谱系统。通过使用THz脉冲以75MHz的重复频率传输高于25KHz的音频信号来操作这个系统,可以传输CD上的1首音乐,并且在另一端接收到的音乐的质量和在电话上听到的音乐的质量被认为是相同的。
美国与欧洲各国已经开始使用自由电子激光器太赫兹辐射源,经过估计,这种装置可产生0.03~30THz的辐射,在亮度方面,可超过目前的THz辐射源的9个数量级[5]。除此之外,JPL(喷气推进实验室),SLAC(国家加速器实验室)与Brown(布朗)大学合作进行研制的纳米速调管,频率可达0.3~3.0THz,当把工作电压调到500V时,此时,连续波输出功率将会超过50mW。
在我国,上海应用物理研究所等多个机构已经陆续建立了THz时域光谱的实验室,在THz成像技术,太赫兹源及太赫兹波的产生机理等方面开展了实验和理论研究;天津大学激光与光电子研究所在基于光学、光子学及非线性光学的THz辐射源,小型化、窄带连续、准连续THz源的研究上已取得很多重要成果,发表论文数十篇[6]。
1.2太赫兹通信技术的研究与应用
随着科技的高速发展,各种太赫兹技术和装置的出现,最初应用于天文学的太赫兹波和太赫兹技术,已经陆续开始可以应用到实际生活中。由于太赫兹波处于毫米波和红外光之间,使得其对未来的无线通信的开发(尤其是军事反恐方面)、太赫兹成像技术的发展、纳米材料技术和大气遥感技术的开发等方面有着重大意义。
1.2.1太赫兹技术
1.2.1.1太赫兹探测器
在探测方面,太赫兹探测这一技术的重要性十分之大,对于太赫兹探测器来说,其实现的主要难度在于THz光子能量低,从而导致太赫兹波很容易受到背景噪声的干扰,再加上硬件的限制,使得测得的太赫兹信号极为微弱,约为几毫瓦,因此普通方式很难检测到太赫兹信号的存在。从20世纪80年代起,随着一系列的新材料和新技术的发展,太赫兹探测技术开始兴起,并得到飞速的发展。
目前,太赫兹探测技术有:光电导和自由空间电光采样、连续波相干探测技术和非相干探测技术(直接探测)[7]。与相干方式相比,非相干探测技术具有独特优势,如容易集成化和系统结构简单。然而,非相干探测有一个很大的问题—响应时间较慢。最近几年,基于等离子体波太赫兹探测器展现出了巨大的优势,在探测灵敏度和响应时间上尤为突出。随着太赫兹技术的飞速发展和广泛应用,高效、高灵敏、易于集成的固态太赫兹探测器技术将成为今后太赫兹核心器件研究的重要方向之一。
1.2.1.2太赫兹源
在太赫兹领域,高性价比、大功率、可工作于室温下的太赫兹源是任何太赫兹技术及其应用的基础。到目前为止,产生太赫兹的方式有许多种,根据其机理,可分为两类:光子学和电子系,包括光整流法、光电导法、量子级联激光器(QCL)和倍频太赫兹源等。其中,最后二者的具体情况如下:
倍频太赫兹源:目前微波倍频太赫兹波源的主要来源是利用肖特基二极管的倍频链路结构来制造的[8]。其主要优点有:体积较小、性能比较稳定、直流功率较低、可长时间工作在室温下等。
量子级联激光器太赫兹源:英国和意大利科学家在21世纪初期最先做出第一台单极级联结构的太赫兹QCL,主要工作原理是通过电子的能级跃迁,同时利用纳米级半导体激光器,使粒子束进行反转[9]。目前技术基本成熟,能够在室温下以连续波形式长时间工作,其波长能覆盖太赫兹所有频段,因此它仍将是以后发展的重点研究之一。
1.2.1.3太赫兹波导
由于太赫兹波在自由空间中传输时产生的损耗很大,因此,以后的太赫兹方向的传输通信主要是采用波导技术,这就成为太赫兹波能否在某些方面应用的关键。目前,太赫兹波导有以下两种:金属波导和光子晶体光纤(PCF)[10]。由于近几年来显微机械加工技术的快速发展,太赫兹波导器件的种类也不断增加,由金属波导和光子晶体光纤开始,聚合物波导、塑料带状物波导和蓝宝石光纤等不断出现,它们不仅体积小,易于集成,而且传输性能也愈发优秀。
1.2.1.4太赫兹天线
在通信系统中,天线是大多数系统发射和接收器件的重要组成部分。由于太赫兹波处于毫米波和红外光之间,其波长小,频率高,容易受到极性分子的影响,这就导致太赫兹天线技术需要很高的性能要求,尤其是天线的材料、结构以及产生的增益等方面。常见的天线种类有:透镜天线、抛物面天线、平面天线、蝶形天线和椎体喇叭天线[11]。就蝶形天线而言,它具有设计简单、容易加工和宽带特性,这就使得其成为太赫兹宽带天线的首要选择。
目前,一些低频太赫兹天线结构可以满足研究或实验的需要,但绝大部分都是停留在仿真的层面,实用化这一点暂时还不能实现,与此同时,国内在太赫兹通信方面的研究还较少,停留在通信的初始阶段,距离实现短距离宽带通信还有一定距离。
1.2.1.5太赫兹调制
对于太赫兹通信系统而言,高传输速率和低误码率必须由高效可靠的调制技术保障,其中,太赫兹调制技术和太赫兹调制器是该领域的研究重点。由于太赫兹频段处于微波和光学的交叉领域,当前成熟的微波调制技术和光调制器均不适用,高速宽带的太赫兹调制器也尚待研究。近年来提出了基于半导体、石墨烯、光子晶体、超导材料等不同材料的电子、光学、热和非线性调制的方法。采用全新电子材料研制开发的太赫兹调制器作为太赫兹系统的重要组件,在各方面展示了调制太赫兹波的性能和重要性。
按照太赫兹波调制方式所采用的技术来源和工作方式,目前可将太赫兹调制分为以下四类:直接调制(内调制)、间接调制(外调制)、电光混频的太赫兹调制和基于ROF技术的太赫兹调制[12]。
1.2.2太赫兹通信及技术的应用
太赫兹波的频带宽,使得在无线通信、天文研究、脉冲武器、电子对抗、应用雷达、医学成像、安全检查等方面具有发展前景和应用能力。比如,太赫兹波的高频率和高分辨率成为太赫兹成像和波谱技术的关键;太赫兹能量低,根本不会产生破坏作用,因此与X射线相对比,具有明显的优势;其穿透能力极强,可无损穿过墙壁烟雾等,在探测未知房屋的室内情况和未知地形等方面有着重要作用[13]。除此之外,随着各国对太赫兹的研究愈发深入,与太赫兹相关的技术和设备相继出现,使得其广泛的科学前景为所有科学家所公认。
(1)就通信技术而言,太赫兹波的频带宽,频率高,波长小,传输容量大,使得其传输速度在通信系统中可达10Gbps以上,尤其是在真空中,假设不考虑其他大气因素的影响,其传输速率远远高于超宽带(UWB)技术几个数量级[14]。再加上它结合了微波通信和光通信的优势,在进行卫星之间的通信时,充分体现了其保密性高,抗干扰能力强的特性,虽然目前大部分技术还不成熟,而且通信系统中缺乏高效的太赫兹天线和太赫兹源,使其无法再通信领域商业化,但即便如此,之前的那些优点仍使得其成为未来通信技术的首选,缺乏的只是时间而已。
(2)在宇宙中,无论是银河系还是其他星系,都有许多物质在辐射太赫兹波。空间大气中大量的极性分子(一氧化碳、水、氯化氢等)和非极性分子(如碳、氮气和氧气等)可以在太赫兹波段进行探测,而这些物质在太赫兹技术被应用之前是无法探测到的,因此太赫兹技术从某种意义上说是天文学发展的一个重要推动力。
(3)由于太赫兹波的穿透性强、传输容量大、安全性高等特征使得太赫兹技术在军事上,在以信息技术为核心的现代化战争中具备很强的的应用前景,对国防和国家安全有着极其重大的意义。比如,基于太赫兹穿透性强而特有的“穿墙术”,利用太赫兹雷达可以探测前方未知地形和人员分布,还可以探测未知空气中如烟雾沙尘等是否存在有毒气体和物质[15];太赫兹波独特的相干性和低能性,可以在车上使用太赫兹无线局域网通信,大大节省车载空间,而节省下来的空间可用来增加其他更多的功能模块,以弥补其它方面的能力;太赫兹波的能量低,可以实现无损检测,可对一些塑料等绝缘材料的裂痕进行检测,在航空、航天方面极具应用价值,此外,还可用于大规模集成电路的检测等;太赫兹波还可将太赫兹辐射成像及其光谱灵敏的优点结合起来,在对物质进行安全扫描检查等方面深受重视,尤其是用于军事上。
(4)由于太赫兹脉宽较小,时空分辨率较高,因此可以用于太赫兹成像技术的研究[16]。与其他成像技术相类似,太赫兹成像也是将太赫兹波照射到被测物品上,通过获得物体反射或折射的太赫兹辐射对样品进行分析,从而得到样品信息。比如,假设要检查一个人是否患有蛀牙,只需要将太赫兹辐射到人的口腔中,即可清晰地看到牙齿的正常部分和损伤部分,进而可以判断是否有蛀牙,利用这种方式可不用照射X光,没有附加伤害,大大减小了辐射损伤。
1.3课题研究的意义
太赫兹技术是一项比较前沿的新技术,一项具有广阔发展空间和应用前景的技术,各国目前已经充分认识到此技术为国民经济的发展提供了一个非常诱人的机遇,因此正陆续地对其进行各项研究。在上个世纪,微波通信和光通信技术已经基本成熟,而太赫兹通信及相关技术受很多因素的影响,还在处于研究阶段,主要研究太赫兹通信器件如太赫兹天线等,技术还不成熟,尚未实现相关产品实用化。但由于太赫兹的瞬态性等特殊性质,使得其成为未来通信技术的首选。而世界各国也都纷纷加大对太赫兹相关技术的研究,太赫兹源、太赫兹天线、太赫兹探测器以及太赫兹调制等课题陆续开始成为科学家们研究的热点。
对于太赫兹通信系统而言,如何将信号加载到太赫兹高频载波上是需要面临并解决的问题,因此太赫兹调制技术便成为了太赫兹通信的关键技术之一。以前受到太赫兹设备以及材料、结构等因素的影响,使得太赫兹调制的发展迟滞不前,使得解调后测得的信号功率小,失真严重。但在21世纪,新材料和新技术的发展为太赫兹调制提供了广阔的发展前景,调制技术的种类也不断增加,但高效可靠的调制技术却并未增加多少。而本文则是采用已有的16QAM和QPSK的调制技术,在太赫兹信道下进行仿真,研究分析并比较调制性能,进而对太赫兹波大气传播信道模型进行深入研究。
第2章 太赫兹波信道模型
对于太赫兹通信系统而言,影响太赫兹波在信道中传输的因素有:烟雾灰尘、穿过障碍物带来的多径效应、大气中的一些极性分子和非极性分子导致的衰减(比如水蒸气和氧气等)以及云雨雾雪等天气条件等等[17]。在这些影响因子的作用下,作为载体的太赫兹波所携带的有效信息将被阻碍而不能完全传输,因此为了保证信道中有效信息的精确传送,我们必须学会搭建合适的太赫兹信道模型,并对其进行分析,进而达到充分认识的目的。而太赫兹通信系统中,太赫兹调制技术是系统成功的关键之一,为了研究其调制性能,我们就得研究太赫兹波在不同条件下的传输特性,所以首先要研究和分析的便是太赫兹波的传输信道模型。
2.1太赫兹在大气中的传输特性
由于太赫兹波在空气中容易受到极性分子的干扰,导致太赫兹波的衰减情况在平流层和对流层要远远超过其他电磁波在大气中传输时的衰减损耗。在对流层主要影响因素有三个分别是:温度T、压强P、相对湿度RH。各个影响因素在标准大气条件下的取值为:P=101kPa,T=15℃,RH=60%,每当传输信号在大气中升高100m,压力大约减小1.2kPa,温度大约下降0.5K,相对湿度维持不变。
在系统中太赫兹波传输时,电场强度E受到散射吸收后会造成严重的衰减损耗。其衰减因子系数为:
(2-1)
其中,r为电磁波传输距离,a(r)为单位距离下的衰减系数。
(2-2)
其中,为单位距离下信道吸收的衰减系数,为单位距离下信道中物质如雨雪烟尘等吸收散射的衰减系数。而和分别是太赫兹波在气体和液体中的传输距离,因此衰减因子也可如下表示:
(2-3)
此表达式即为总衰减为信道中气体和液体的吸收衰减损耗之和。由于极性分子如和对太赫兹波段的衰减是主要干扰因素,因此当大气高度增加时,总的信道(大气)吸收系数可表示为:
以上是毕业论文大纲或资料介绍,该课题完整毕业论文、开题报告、任务书、程序设计、图纸设计等资料请添加微信获取,微信号:bysjorg。
相关图片展示:









