简易节能路灯控制器的研究设计毕业论文
2020-02-17 23:18:29
摘 要
国家经济飞速发展,各大城市在夜晚中灯火通明,呈现欣欣向荣之态。但在这灯火璀璨的背后,却是能源的消耗量日益增多。作为城市照明的重中之重,路灯照明系统却存在能源利用率较低的问题。为了使路灯照明系统的能源利用率得以提高,路灯控制器应运而生。本文以光敏电阻与NE555芯片构成光控电路,以NE555芯片与电阻组合构成秒脉冲产生电路,以74160芯片构成计时电路与计数电路并辅以CD4511芯片驱动七段共阴数码管显示,旨在实现不同光照条件下路灯的开启与关断,同时显示路灯的开启次数以及当前工作的时间。研究结果表明:路灯可随不同光照条件下光敏电阻阻值的变化而自动开启和关断,同时还可调节路灯开启和关断所需的光照亮度。此外,数码管成功地显示了路灯开启的次数与工作时间,达到了预期效果,对城市路灯控制器的发展具有重要意义。
关键词:路灯控制器;光敏电阻;秒脉冲;计数电路;计时电路
Abstract
The country's economy is booming and its big cities are lit up at night. But behind the bright lights, energy consumption is on the rise. As the top priority of urban lighting, street lighting system has the problem of low energy efficiency. In order to solve this problem, street light controller comes into being. In this article, we use the photosensitive resistance and NE555 chip to constitute the photocontrol circuit, and we use NE555 chip and resistance to form the second pulse generating circuit. At the same time, composed by the 74160 chips, the timing circuit and the counting circuit are displayed through seven segment digital tube which is drove by the CD4511 chip. The purpose is to achieve the opening and closing of street lights under different lighting conditions, and to show how many times have the lights turned on and the number of the current working time. The result shows that street lights can be turned on and off depending on the resistance changes of photosensitive resistances under different lighting conditions. In addition, it correctly displays the times of opening and working time of street lights, achieving the desired effect, which is of great significance to the production of urban street light controllers.
Key Words: street light controller;photosensitive resistance;second pulse;counting circuit;timing circuit
目 录
第1章 绪论 1
1.1 研究现状与背景 1
1.2 设计的目的 2
1.3 设计的意义 2
第2章 方案设计与选择 4
2.1 设计的基本内容 4
2.2 设计的要求 4
2.3 系统论证 4
2.3.1 光控模块 4
2.3.2 秒脉冲产生模块 5
2.3.3 计数模块 5
2.3.4 计时模块 5
2.3.5 显示模块 5
2.4 方案分析与选择 5
第3章 软件简介 7
3.1 Multisim软件 7
3.2 Altium Designer软件 8
第4章 主要器件介绍 10
4.1 光敏电阻 10
4.2 NE555芯片 11
4.3 74160芯片 12
4.4 CD4511芯片 13
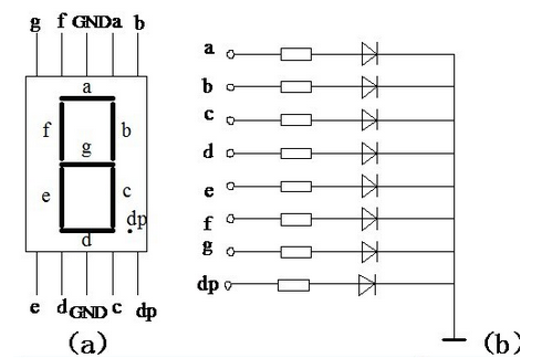
4.5 七段共阴数码管 14
第5章 单元电路的设计 16
5.1 光控电路 16
5.2 秒脉冲产生电路 18
5.3 计数电路 19
5.4 计时电路 20
5.5 显示电路 21
第6章 整体系统与实物图 24
第7章 结论 26
参考文献 27
附录A 元件清单 28
附录B 芯片引脚图与真值表 29
附B1 74LS00芯片 29
附B2 74LS04芯片 29
附B3 74LS08芯片 30
附B4 74LS20芯片 30
致谢 31
第1章 绪论
1.1 研究现状与背景
国家经济飞速发展,人们在学习、娱乐等方面的生活水平不断提高。在这丰富多彩的生活背后,是各种能源的不断消耗,而与人们生活息息相关的便是电力能源。从古代只能取火照明到如今LED灯遍布天下,电力能源功不可没。国民经济的持续发展需要电力支撑,电力能源更是人们赖以生存的重要能源之一。
在我国电力能源应用方面,各大城市电力消耗不均,大城市电力消耗较小城市更多。但相同的是,路灯照明耗电在各座城市能源消耗中都占了很大的比重[1]。相关统计表明,城市公共路灯照明消耗的电量占我国总照明耗电量中约三成的比例[2]。假设每座路灯的功率为72瓦,它工作一天所消耗的电量为1度,若某座城市中有至少一千座路灯,那么它们每天至少消耗一千度电[3]。有时为了提高路灯的亮度会对路灯进行增添或升级,由于增添路灯、增加路灯功率、改进设备等原因,会导致设备添置费以及日常对路灯设备的维护费明显增加,同时也会消耗更多的电力。全国有660多座城市,即使每座城市中的一千座路灯每座仅增加10瓦功率,其每天工作10小时,一年内全国耗电也会增多2409万度。从绿色照明的角度出发,由于多发出几千万度的电力,导致增排的CO2和SO2等有害气体会严重破坏空气质量,使得环境污染日益恶化,不利于美丽城市的打造,也不利于环境保护,会对人们的生活环境产生巨大的影响[4]。
但是城市的发展离不开路灯照明系统的支撑,它为交通安全提供了保障,使城市容貌和人们生活变得更加美好,同时也可以吸引各大投资商为城市的发展进行注资。随着城市建设的脚步不断加快,道路照明工程建设成为了政府和人民的重要关注点。在城市夜晚变得绚丽多彩的同时,公共路灯照明耗电量也在逐年增加。作为城市公共照明设施的路灯系统存在着许多问题待以解决,其一为路灯耗电量日益增多,另外则是维护量与维护费用在逐渐增大。因此,如何在环保的前提下采用节能技术来使城市公共照明能耗降低、使维护量与维护费用等减少成为人们广泛关注、讨论和研究的问题。近年来,伴随着太阳能、传感器等技术的不断发展,原有的人工控制式、时钟控制式等功能单一、管理难度大、应变能力与拓展性均不佳的路灯控制器逐渐退出历史舞台。在过去的几年里,我国许多城市都选择使用有线或无线的方式来控制路灯的工作状态,让路灯的运行受日照规律控制[5]。现如今,随着太阳能、传感器等技术的加入,路灯控制器种类出现多样化,功能也日益强大,诸如太阳能路灯控制器、风光互补型路灯控制器、远程无线路灯控制器等路灯控制器的出现使得路灯控制器领域朝着节能与智能化不断进步。
1.2 设计的目的
路灯照明系统作为城市公共设施的重要组成部分,在美化城市形象、完善城市基本功能、改善人民生活环境等方面都起着非常重要的作用。近年来,随着城市化的加速,用于道路照明的设备也在增加。为方便广大市民夜间出行,保障出行安全,路灯资源的分配十分重要。如果路灯资源分配不合理,会导致更多的电力能源被浪费,使得能源利用率更低。因此,为了保障城市的稳定发展和人民的幸福生活,路灯资源的合理分配与路灯系统能源利用率的提高十分关键。
路灯照明系统是人们生产生活和城市道路建设中的必要系统之一。智能化、人性化的路灯控制器能充分利用自然光源,可根据人的需要来调节光照亮度,同时也具有可拓展性的特点,方便新设计的设备接入控制器系统,丰富其功能[6]。本设计以光敏电阻为核心构成简易节能路灯控制器,从而实现路灯随光照变化而自动开、关以及显示路灯开启次数与当前一次工作的时间。在光控电路中,光敏电阻通过感受外界光照强度的变化而使其阻值发生改变,从而控制路灯自动开启和关闭。通过对控制器整体的调试与改进,最终本次设计的路灯控制器能够实现要求的各项基本功能。
1.3 设计的意义
如今,我国各个城市的公共路灯照明系统的能源利用率都相对偏低,无法保证电力能源的充分利用,许多电力能源被浪费。我国的中小型城市在晚上11点以后,而大型城市则在半夜12点以后,几乎就没有人在路上行走。即使是在如广州、深圳等一线城市中的繁华地段,凌晨2点过后,道路上也是人烟稀少[7]。可是城市公共照明却没有根据具体的时间、地点以及人流量情况来控制路灯的照明亮度,而是依然维持较高亮度的照明,直至次日早上6点甚至7点时路灯才会关闭。显然,在这种情况下依然保持较高的照明亮度是没有必要的。若采用单纯的人工控制式或者时钟控制式路灯控制器,由于季节、天气情况变化,会导致在如冬季中需要开启更长时间路灯时路灯不亮,也可能导致在如夏季中白天时间较长时路灯在夜晚未至时就已点亮,会造成不必要的电力浪费,不利于电力资源的分配,达不到智能化节能的目的[8]。因此,智能、环保型的路灯控制系统的设计具有重要的意义。它要求在不会对城市的发展以及人们的夜间出行造成不良影响的前提下能够达到节省电力能源并提高电力能源利用率的目的。本设计是以光敏电阻、NE555芯片、74160芯片、CD4511芯片以及七段共阴数码管为主要控制单元的硬件电路,以环境变量与时间显示为考量,实现了路灯根据外部光照强度变化而开启或关闭,同时还能调节路灯开启所需的光照亮度。此控制系统有效地节省了电力资源,提高了电力资源的利用率。它工作稳定,而且不易损坏。此路灯控制器能根据人的需要来进行对路灯的控制,具有便利性。同时,它能够提高能源利用率以及节省能源,具有环保性。基于以上种种优点,此路灯控制系统具有非常广阔的应用前景。
随着人们在节能环保方面给予了越来越高的重视,以及十城万盏半导体照明工程的启动,LED室外照明被视为我国道路照明的主攻方向。其中,LED路灯由于具有高亮度、低功耗等特点而备受瞩目,被视为推动照明应用市场发展的重要切入点[9]。
第2章 方案设计与选择
2.1 设计的基本内容
1.查阅光敏电阻相关知识,掌握光敏电阻的光电特性,设计并组建光控电路。
2.了解计时与计数电路的工作原理,设计计时电路与计数显示电路。
3.搭建样机系统,对系统整体性能进行测试。
4.分析系统的优缺点,对系统进行优化设计。
2.2 设计的要求
1.设计制作一个节能路灯的光控电路,当光照亮到一定程度时使路灯自动熄灭,而光照暗到一定程度时又能自动点亮,开启和关断的光照亮度可调。
2.设计计时电路,显示路灯当前一次的连续工作时间。
3.设计计数显示电路,统计路灯的开启次数。
2.3 系统论证
本设计核心在于光敏电阻与路灯之间的关联,即由光敏电阻控制路灯开启与关闭,同时引起工作时长与开启次数的显示。根据路灯控制系统整体功能,系统可分为五个模块,分别为:光控模块、秒脉冲产生模块、计数模块、计时模块、显示模块[10]。系统的流程图如图2.1所示。
显示模块
计时模块
秒脉冲产生模块
光控模块
计数模块
显示模块
图2.1 系统流程图
以下是对每个模块的设计思路以及每个模块可以实现的功能的简要介绍。
2.3.1 光控模块
由于要实现的功能是当光照亮到一定程度时路灯自动关闭,而光照暗到一定程度时路灯能够自动开启,并且可以调节开启和关断的光照亮度,则首先考虑光敏电阻的特性。众所周知,光敏电阻可随光照条件的不同而极大地改变其电阻值,因此可以根据光敏电阻的这项特性来设计所需的光控模块。
2.3.2 秒脉冲产生模块
本设计要求能显示路灯当前一次开启的工作时间,即要求电路能进行时、分、秒等时间数字的显示,因此,电路需要能够产生1Hz的脉冲输出。可利用NE555芯片构成多谐振荡器并调节相应参数产生所需的秒脉冲,从而为后续计时电路产生脉冲输入,帮助其实现对路灯当前工作时间的统计。
2.3.3 计数模块
本设计要求显示路灯开启的次数,则要求计数模块需要与光控模块相关联。灯处于关闭状态则计数模块维持当前数字不变,若路灯再次开启则计数模块计数加一。可将光控模块的输出视为脉冲,若路灯关闭,则视为脉冲持续为0(低电平);若路灯开启则视为脉冲输出为1(高电平)。在低电平与高电平过渡中存在上升沿,可利用此上升沿与高电平完成对路灯开启次数的统计。
2.3.4 计时模块
为了显示路灯当前一次开启时的工作时间,则要求电路能对时、分、秒三项数据进行统计,即需要构建60进制计数电路与24进制计数电路分别作为秒、分、时的统计电路。同时不能忽略时、分、秒之间的关联,即需要实现每60秒则分计数加一、每60分则时计数加一。为了实现两两之间的关联,可由低位控制高位的使能端,当低位不满足相应条件时,高位保持当前数字输出;当低位达到相应条件时,高位输出数字加一。
2.3.5 显示模块
为了在外部显示计时模块、计数模块产生的结果,需要设计相应的显示模块。可采用数码管对结果进行显示,在数字输出与显示模块之间辅以驱动芯片来控制数码管中的各输入管脚,实现各位数字的完整显示。
2.4 方案分析与选择
在对系统内部各模块确定以后,产生了下列两种方案来构成整体系统,以下为两种方案的简述。
方案一:以单片机AT89S51为控制核心,在接收到光敏传感器发出的信号后通过内部程序来控制路灯的开启与关闭。其次,脉冲产生模块产生的时钟脉冲经过单片机处理后控制外部数码管显示开启次数与工作时间。
方案二:以光敏电阻与NE555芯片组成的施密特触发器构成光控模块,以NE555芯片构成的多谐振荡器形成秒脉冲产生模块,以74160芯片分别构成计数、计时模块,此外以CD4511芯片以及七段共阴数码管构成显示模块。
以下是对两种选择的优缺点分析。
优点:方案一采用硬件与编程联合,可以巩固所学的软硬件知识,所需的芯片较少;方案二中各种芯片逻辑功能简单易懂,真值表一目了然,因此在电路出现问题时可以迅速分析出问题所在,具有一定便利性。
缺点:方案一由于采用了编程,故而需要较长的程序才能实现相应功能,需要花费较长时间才能完全理解各部分程序的作用,同时在出现问题时不利于查出问题所在,需要有一定编程功底的人才能解决问题;方案二中所需芯片数目较多,占用的空间较大。
对比完二者的优缺点后,基于对数字电路的熟悉程度以及考虑到路灯出现问题时能够快速解决,本设计采用了方案二来构成整体路灯控制器系统。
第3章 软件简介
在本次设计中,所用的软件为Multisim以及Altium Designer,下面分别对两种软件进行简要介绍。
3.1 Multisim软件
Multisim是一款以Windows为基础、由加拿大图像交互技术公司(Interactive Image Technologies,简称IIT公司,原Electrical Workbench公司)推出的仿真软件,可用于设计板级的模拟与数字电路板。在Multisim软件中,我们可以通过多种方式进行输入,如电路原理图的图形输入、电路硬件描述语言输入等。此软件可以模拟与分析多种电路的功能。
Multisim软件提供了一个交互式的平台,在这个平台上,人们可以轻松地搭建电路原理图并对所搭建的电路的相关功能进行模拟和分析。此外,由于Multisim软件将SPICE仿真步骤进行了简易化处理,因此,即便未学习过复杂的SPICE技术,我们也可以很轻松地完成对新设计的搭建、仿真和分析等工作。基于这个原因,Multisim软件对从事电子学教育的工作者们来说是一大利器。通过Multisim软件与虚拟仪器技术,PCB设计者可以一步步地由学习理论到搭建原理图、模拟电路功能,再到测试与改进整体系统,从而完成一个完整的综合设计流程。
在Multisim软件中,设计与仿真电路所涉及的相关步骤如下:
一、对Multisim的通用环境变量进行设置。由于用户的使用习惯以及其他要求不同,因此Multisim软件在菜单“选项/配置(Option/Preferences)”中提供了“配置(Preferences)”对话窗口。用户可以通过窗口的六个选项根据自己的喜好来设置界面的颜色、电路的尺寸、缩放的比例、自动存储的时间等。
二、取用所需元器件。在Multisim软件中,有两种不同的方式来访问所需的组件,即:从工具栏取用或从菜单取用。下面以74LS08为例分别说明这两种方法。
1.从工具栏取用元件:设计(Design)工具栏;元件(Multisim Master)工具栏;TTL工具栏;74LS按钮。
从TTL工具栏中选择74LS按钮打开此类元件的浏览器组件(Component Browser)窗口,此窗口包括元器件数据库(Database name)、元器件类型列表(Component Family)、元器件明细表(Component Name List)、生产厂商(Manufacture Names)、模型层次(Model Level-ID)等内容。
2.从菜单取用:通过放置元件(Place/Place Component)命令打开浏览器组件(Component Browser)窗口。
3.选中元器件:在元器件类型列表(Component Family Name)中选择74LS系列,在元器件明细表(Component Name List)中选择74LS08,单击OK按钮即已选中74LS08芯片,而在选中74LS08芯片以后会出现一个备选窗口。74LS08是二输入与门,在该备选窗口中的Section A/B/C/D则分别代表其中一个二输入与门,使用鼠标选择其中一个放入电路图编辑窗口中。用户可以在浏览器组件(Component Browser)中的符号(Symbol)选项框中查看所需元件在电路图中显示的图形符号。当元件放入电路编辑窗口中后,用户就可以对所放元件进行移动、复制等操作了。
以上是毕业论文大纲或资料介绍,该课题完整毕业论文、开题报告、任务书、程序设计、图纸设计等资料请添加微信获取,微信号:bysjorg。
相关图片展示:









