温室自动监控及低温预警系统的研究与设计毕业论文
2020-04-12 14:15:32
摘 要
本文设计了一种基于STC89C51的温室实时温度监测与低温预警系统。系统利用LM35温度传感器来获取温度信号,并输出电压信号,继而利用A/D转换器ICL7109将LM35输出的电压信号转为数字信号。当温室温度不在正常温度范围时,启动报警装置。用户可以通过按键控制调控预设温度范围,并且通过LED数码管显示监测的实时温度值是否在用户设定的温度范围内。
本系统为基于STC89C51单片机的智能温度监测低温预警系统,硬件电路包含采样及放大电路设计、ICL7109A/D转换器与单片机接口电路设计、单片机最小系统设计、显示电路设计、键盘电路设计、报警电路设计及看门狗电路设计等硬件电路设计。系统软件编程设计包括系统主程序设计、数据采集及模数转换程序设计、温度监控程序设计、显示程序设计、低温高温预警程序设计等,以上程序设计均采用C语言编程实现。本系统可实时测试以及自动控制,且稳定性良好,操作容易,可在农业、林业等行业得到广泛应用。
关键词:单片机;温控;低温预警
ABSTRACT
This paper designs a temperature monitoring and alarming system which displays the realtime temperature and will alarm when the temperature is not in the right temperature range.The System is designed based on 89C51 microcontroller control technology.The system uses gets the temperature signal by the temperature sensor LM35 and the LM35 can convert temperature signal to voltage signal. Then I use the A/D converter ICL7109 to convert the voltage signal output by LM35 into a digital signal.When the realtime temperature is not in the setting temperature range, the alarming will alarm.The users can set the upper and lower temperature limits through the key, and the setting temperature will display by LED.
This system is an alarming system based on STC89C51 single chip microcomputer, jthe system includes the design of sampling and amplifying circuit, the design of A/D converter acircuit,the design of the minimum system of single chip microcomputer, the design of display circuit, the design of keyboard scanning circuit, the design of alarming circuit and the design of watchdog circuit.The system software programming design includes system main program design, AD acquisition and module conversion program design, temperature monitoring program design, display program design, low temperature and high temperature warning program design, etc. The above program design is all writed by C language programming.The system can be tested in real time and controlled automatically. It is stable and easy to operate. It can be widely used in agriculture, forestry and other industries.
Keywords:Single chip microcomputer; Temperature control; Monitoring and alarming
目录
摘要 Ⅰ
ABSTRACT Ⅱ
第1章 绪论 1
1.1 设计背景 1
1.2国内外温室研究现状 1
1.2.1 国外温室研究现状 2
1.2.2国内温室设施发展现状 2
1.3 本文主要工作及设计目标 3
1.4 本章小结 3
第2章 温室自动监控及低温预警系统研究与设计总体方案 4
2.1 方案设计思想 4
2.2 主控芯片的选择 4
2.3 温室自动监控及低温预警系统总体方案设计 4
2.4 本章小结 6
第3章 温度自动监控及低温预警系统硬件电路设计 7
3.1单片机最小系统模块 7
3.1.1 STC89C51单片机的选择 7
3.1.2单片机最小系统硬件电路设计 9
3.2 采样放大模块 10
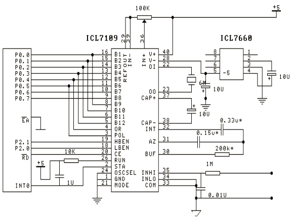
3.3 A/D模数转换模块 11
3.3.1 A/D模数转换芯片选择 11
3.3.2 模数转换电路设计 13
3.4 存储器扩展模块 14
3.5 显示电路模块 15
3.6 报警电路模块 16
3.7 看门狗电路模块 16
3.8 本章小结 17
第4章 系统软件设计 18
4.1主程序设计 18
4.2 数据采集及计算程序设计 19
4.3 按键扫描程序设计 20
4.4显示程序设计 21
4.5 低温预警子程序设计 22
4.6 本章小结 22
第5章 系统功能测试 24
5.1 实时温度采集控制测试 24
5.2 按键控制温度范围测试 24
5.3 放大电路仿真结果示意图 25
5.4 本章小结 25
第6章 结论 26
参考文献 27
附录A 部分电路图 29
附录B 实物图 30
附录C 程序源代码 31
致谢 37
第1章 绪论
设计背景
如今,温室已经越来越广泛的应用于蔬菜种植、反季瓜果培养等方面,经过起步、探索、发展、提升等多个阶段,温室大棚种植技术已日趋成熟,温室种植的利用率和生产率不断提高,温室的设备也在不断完善,要生产出好的温室瓜果蔬菜,有先进的设备条件是一个重要的前提,温室温度的设定和监控也是必不可少的。每种蔬菜瓜果都有一定的适宜生长的温度范围,若是想要在同一个大棚中种植不同的几种蔬菜,温度的要求就更具有局限性,此时,温度若低于适宜温度范围过多,就容易产生蔬菜冻伤、减产等不良影响;若温度过高,根菜类等喜温凉气候的蔬菜就容易死亡。各种蔬菜生长的适宜温度从20度到35度不等,因此,为了更好的把控温室的温度,一种能够实时检测温度并及时提供警报的温度监控即预警系统必不可少。
据不完全统计,全球目前温室面积超过60万公顷,当前温室发展市场十分广阔。发展大型温室,主要是为了发展蔬菜瓜果的生产,然而,尽管目前许多国家的温室生产已经取得了长足的进步,但是中国蔬菜的生产,培育,产量仍然非常低,大棚的产出量不高,效益低下,这与温度不能实时检测和及时预警不无关系。在温室发展水平上,与荷兰、欧美地区仍有很大差距。目前,中国还没有完备的生产技术,并且没有将发展大型温室和将蔬菜单位面积产量不断提升这一发展方向结合起来。中国的温室覆盖材料保温性、透光性都不够强,这就导致温室内部环境的控制难以达到最好的程度,例如北方地区部分温室冬季加温设备无法满足生产需求,导致需要在高温环境下生产的作物温度环境无法达到生长要求,加热器分布的不合理,部分温室的降温设施不完善,夏季降温效率差等问题都得不到解决。
发展大型现代化温室,还有很长的一段路要走,在建设温室大棚的同时,还要注重作物生产的要求,对温度和湿度的要求,对光照和二氧化碳浓度的要求等。未来人们需要在温室上投入更多的精力,要注重温室设施建设和蔬菜生产要求相统一,提高产出量,提高工作效率。同时,也需要不断向国外位于温室方面发展前列的国家学习先进的生产技术,在此基础上,还需要不断开发新的技术,在学习国外技术的前提下有所突破,拥有自己的一套完备的温室生产体系,努力走向世界科技前沿,早日赶超其他国家,推进现代化建设,高投入,高产出,引领世界科技发展潮流。
1.2国内外温室研究现状
本节介绍了目前国内和国外对温室的研究进展和发展趋势。
1.2.1 国外温室研究现状
国外的温室发展最早起源于罗马,罗马早先使用透明的云母片来遮盖黄瓜,使其能够提前成熟。到了15-16世纪,一些欧洲国家开始使用简易的温室大棚生产蔬菜瓜果。在19世纪,温室的栽培技术从欧洲传入全球,并且得以长足的发展。20世纪60年代,世界各国的现代温室技术都不断进步,目前,大多数非发展中国家的温室都是大型连栋温室,只有中国仍然采用日光温室。目前世界上约有60万公顷的薄膜温室,主要分布在亚洲。其次,有4万公顷的玻璃温室,主要分布在欧洲和美国。除此之外,还有新型覆盖材料聚碳酸酯版温室一万多公顷[1]。
现如今,荷兰是温室应用最广泛、温室科技发展最前沿的国家。以荷兰为代表的欧美发达国家的温室园艺设施规模宏大、自动控制程度高。对于荷兰来说,园艺设施和花卉种植业是他们的主要产业,荷兰目前时园艺设施最发达的国家。荷兰温室大棚的面积、规模、现代化程度均居世界前列。除了荷兰之外,其他国家的温室大棚技术也各有各的特色。其中,以色列的温室大棚能够根据种植的农作物对环境温湿度的不同要求,借由计算机对温度的实时检测,不断调整温室环境,从而达到更好的温室效果。
在未来,国外的温室发展的重点是更好的节约能源和降低生产成本,同时,将温室向多功能、智能化、个性化、集成化、系列化方向发展。
1.2.2国内温室设施发展现状
早在两千多年前,中国就开始利用保护措施栽培各种反季蔬菜,中国是温室大棚种植技术的发源地。然而,到了20世纪60年代,其他国家温室发展日趋成熟,蒸蒸日上,中国温室发展却处于落后阶段。此后,中国将国外的生产技术引进进来,但由于管理落后和配套操作技术存在问题,中国的温室发展还是没有进步。如今,通过数年的不懈努力,中国的温室大棚技术已经发展的越来越好,不管是国家还是个人对温室科技的发展都越来越重视。
以上是毕业论文大纲或资料介绍,该课题完整毕业论文、开题报告、任务书、程序设计、图纸设计等资料请添加微信获取,微信号:bysjorg。
相关图片展示:








        
            
