LED大屏控制系统终端设计毕业论文
2020-04-02 11:23:08
摘 要
随着科技的不断进步,人们对图像显示的需求越来越高,LED大屏被广泛应用于各个场合,为人们提供各种信息。本文设计了一种基于STC89C51单片机的LED大屏控制系统终端,由单片机控制电路、行驱动电路、列驱动电路、LED显示屏电路和电源电路五部分组成,可显示两行四列共八个汉字或图形。
本LED大屏控制系统终端采用模块化结构设计,方便对其进行拓展升级,操作灵活。单片机控制电路以STC89C51为核心对行驱动电路和列驱动电路进行控制,行驱动电路由74HC138译码器和4953驱动管配合工作,列驱动电路由74HC595锁存器来实现,LED显示屏电路由32块8×8LED点阵模块组成,每4块8×8LED点阵模块可显示一个字符,电源电路采用开关型稳压电路,可为系统提供稳定的5V电压。单片机控制程序采用C语言编程,显示方式采用1/16扫描方式,通过提取字模,可实现汉字或图形的静态、向左滚动和向上滚动显示。
关键词:LED大屏;STC89C51;模块化结构
Abstract
With the continuous advancement of science and technology, people are increasingly demanding for image display. LED large screens are widely used in various fields to provide people with various kinds of information. This article has designed a LED large-screen control system terminal based on STC89C51 single-chip microcomputer. It consists of five parts: single-chip control circuit, row drive circuit, column drive circuit, LED display circuit and power circuit. It can display two rows and four columns with a total of eight Chinese characters or graphics.
The terminal of the LED large-screen control system adopts a modular structure design, which is convenient for its expansion and upgrade, and its operation is flexible. The SCM control circuit uses the STC89C51 as the core to control the row driver circuit and the column driver circuit. The row driver circuit is operated by the 74HC138 decoder and the 4953 driver. The column driver circuit is implemented by the 74HC595 latch. The LED display circuit consists of 32. Block 8 × 8 LED dot matrix module, every four blocks of 8 × 8 LED dot matrix module can display a character; power circuit adopts switching regulator circuit, which can provide a stable 5V voltage for the system. The SCM control program is programmed in C language. The display mode is 1/16 scan mode. By extracting the fonts, Chinese characters or graphics can be static, scroll left, and scroll up.
Key Words:LED large screen; STC89C51; Modular structure
目 录
第1章 绪论 1
1.1 目的及意义 1
1.2 国内外研究现状 2
1.3 本文的组织架构 3
第2章 LED显示屏工作原理 4
2.1 光学和人眼视觉惰性 4
2.2 LED显示屏单元板介绍 5
2.2.1 LED单元板基本组成模块简介 5
2.2.2 LED单元板类型介绍 7
第3章 系统硬件电路设计 8
3.1 系统总体方案 8
3.2 系统芯片介绍 9
3.2.1 STC89C51介绍 9
3.2.2 74HC245介绍 10
3.2.3 74HC04介绍 11
3.2.4 74HC138介绍 11
3.2.5 74HC595介绍 12
3.2.6 4953介绍 12
3.3 单片机控制电路 13
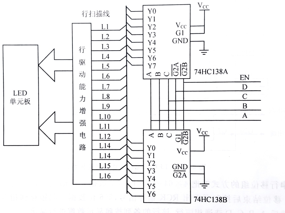
3.4 行驱动电路 13
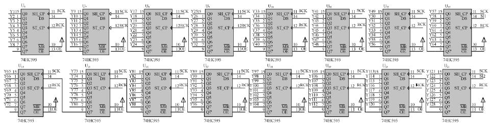
3.5 列驱动电路 14
3.6 LED显示屏电路 15
3.7 电源电路 16
第4章 系统软件设计 18
4.1 字模提取 18
4.2 系统程序设计 19
4.2.1 程序流程图 19
4.2.2 工作原理及工作过程 20
第5章 结论 22
参考文献 23
附 录 24
致 谢 29
第1章 绪论
1.1 目的及意义
在许多年前,科学家们发现通过使用半导体材料可以产生光线。几年后,通用电气公司的尼克·何伦亚克自主研发出了第一种可实际应用的可见光发光二极管,其英文名称为Light Emitting Diode,缩写为LED。发光二极管的基本构造为一块电致发光的半导体材料,置于一个有引线的架子上,然后架子的四周使用环氧树脂进行密封,即固体封装,这样就可以起到保护内部芯线的作用,因此LED具有良好的抗振性能。发光二极管的主要结构是由P型半导体和N型半导体构成的晶片,在P型半导体和N型半导体之间存在着一个过渡层,这个过渡层被称之为PN结。在某些PN结中,注入的少数载流子与多数载流子复合时会将多余的能量以光的形式释放出来,从而将电能直接转换为光能[1]。使用注入式电致发光原理来制作的二极管被称为发光二极管,英文名称为LED。当电流从LED的阳极流向阴极时,称此时的LED为正向工作状态,半导体会发出各种颜色的光线,光线的强弱与电流的大小相关。
最初,各种仪表的指示光源均使用LED。后来,随着LED技术的进步,LED的性能也在不断增强,交通信号灯、汽车信号灯和大面积显示屏也随之广泛使用各种颜色的LED作为显示光源,并产生了极好的经济与社会效益。LED光源的经济与社会效益主要体现在节能方面,为产生与彩色LED光源相同的光强,白炽灯所需要耗费的功率约为LED的10倍。因此,广泛使用LED作为光源可以节约大量的自然资源,为可持续发展作出积极的贡献。
基于LED 技术的的LED显示屏(LED Panel)是一种通过控制半导体发光二极管的亮灭来显示字符和图形的显示方式,通常由很多个红色的小灯组构成,靠灯的亮灭来显示字符[2]。LED显示屏主要分为图文显示屏和视频显示屏,均由LED单元板组成。使用计算机可以控制图文显示屏同步显示文字和图形信息;视频显示屏可与微型计算机同步、清晰的各种动态视频信息。LED显示屏与以往的普通显示屏相比,其显示的画面色彩更加艳丽,立体感更强。因此,LED显示屏被广泛应用于车站、码头、机场、交通运输、教育系统、商场、医院、宾馆、银行和其他公共场所。
与投影仪、电视墙和液晶显示屏等大屏显示设备相比,LED显示屏不仅可以用于室内环境,而且可以用于室外环境,这是LED显示屏的又一个优点。所以,LED显示屏被社会广泛重视且得到迅速发展是与它本身所具有的这些优点分不开的。这些优点主要是:工作电压低、功耗低、亮度高、体积小、寿命长、耐冲击和稳定性高。LED的发展前景极为广阔,目前正朝着更高亮度、更高耐气候性、更高的发光密度、更高的发光均匀性、更高的可靠性、全色化方向发展[3]。
1.2 国内外研究现状
目前,国内外各大厂商均可生产颜色为红、绿、蓝三原色的高亮度LED,基于这三种颜色的LED,发展出了各种超大规模的单色、双色和彩色LED显示屏。单色和双色的LED显示屏主要应用于各种即时文字信息的显示,比如在火车站、飞机场和地铁站都会设有大型LED显示屏,通过这些显示屏,旅客可以快速准确地看到各车次及航班的信息,为旅客出行带来了极大的方便。一部分商店也会使用LED显示屏作为展示的窗口,将其店内的主营业务或促销信息即时反馈给顾客,同时也能为商家带来更高的客流量。彩色LED显示屏主要应用于动态图像和视频的播放,例如在各个大型广场等公共区域,都会设有巨型彩色LED显示屏并播放各种视频。如今,全球各国都在使用LED显示屏,其中亚洲各国的使用率是最高的,欧洲次之,美洲排名最后。在亚洲各国中,尤以中国最具代表性,城市中到处都可以看到LED显示屏的身影,这与我国的LED显示屏行业的不断努力和国家的积极推动密不可分。
在1997年,我国就针对LED显示屏行业发布了电子行业标准SJ/T11141-1997《LED显示屏通过规范》,此标准明确规定了各类LED显示屏的定义、分类、技术要求、检验方法,检验规则以及标志、包装、运输、储存要求。在此标准发布后,我国LED显示屏行业中的各家公司均积极响应,对所生产的所有LED显示屏产品进行严格的自我审查并加强了企业生产管理,力求将产品质量做到最佳。多年实践表明,此标准对LED显示屏产品质量的提高以及行业的健康发展起到了不可估量的作用[4]。经过我国多年的政策推进和全行业的奋力发展,我国所生产的LED显示屏的各项参数均处于全球领先地位。在LED显示屏行业不断快速发展的背景下,我国将之前的电子行业标准更新为SJ/T11141-2003《LED显示屏通用规范》。在新的行业规范中,我国提高了对LED显示屏各项性能指标的要求,为推动LED显示屏行业的不断发展做出了积极的贡献。
随着LED显示屏技术的不断进步与发展,LED作为半导体产业,也将搭上这趟高速列车,发挥出其高可控性特点[5]。LED性能的提高又将促进LED显示屏的发展,在此良性循环下,LED显示屏的性能将被不断提高。近几年,随着AI技术的快速进步,LED显示屏的功能也由原来的单一化逐步向多样化发展,出现了多种具备智能控制系统的LED显示屏。这些显示屏的显示内容可以由WIFI或蓝牙等无线信号传输,并可在智能手机上控制其亮度、显示方式和刷新频率等参数,这极大地降低了用户的使用门槛,提高了使用感受。LED显示屏行业的各家企业也都积极改进自身技术,将原来非智能控制的LED显示屏更新为可智能控制的LED显示屏,并由原来单一的提供LED显示屏产品,逐步演变为为用户提供整套解决方案,即为用户量身定制符合其需求的LED显示屏。这不但方便了用户,而且极大地提高了各厂商的利润率,使其将更多的资金投入到对LED显示屏的研发中来。
总之,LED显示屏目前属于朝阳行业,国内外各企业均投入了大量资金和人力进行研发工作,这使得LED显示屏产品从外观到内部硬件电路都发生着翻天覆地的变化,行业中涌现出越来越多的专利。行业内的有关专家预测,未来几年,对LED显示屏的研发工作的速度不会减慢,在清晰度、色域和刷新频率等方面还会有所突破。
1.3 本文的组织架构
LED大屏控制系统终端设计论文组织如下:
第1章主要介绍了LED大屏控制系统终端的研究目的与意义、发展历程和国内外的研究现状等。特别指出,在不断发展的互联网时代,尤其在科技日新月异的今天,传统的信息传播媒介已经跟不上信息市场发展的脚步,如何找寻一种更加优质的信息传播媒介变得越发迫切。随着科技的不断进步,LED显示屏逐渐成为新的信息传播媒介。与此同时,如何高效便捷的控制LED显示屏所需要显示的内容成为了人们所需要克服的新问题?因此,本文就LED大屏控制系统终端做出了自己的理解。
第2章主要介绍了LED显示屏的工作原理。首先展示了LED显示屏是如何基于人眼的视觉惰性来工作的,以及需要注意参数设定问题。然后对LED显示屏的基本组成单位,即LED显示屏单元板进行了介绍,接着对 组成LED单元板的8×8LED点阵模块进行了介绍,最后介绍了LED单元板的分类。
第3章主要讲解了本LED大屏控制系统终端设计所涉及的硬件电路及各部分电路使用的主要芯片,其中包括了STC89C51、74HC245、74HC04、74HC138、74HC595和4953这六种芯片。然后详细讲解了组成该系统的单片机控制电路、行驱动电路、列驱动电路、LED显示屏电路和电源电路这五部分的工作原理。
第4章主要介绍了本LED大屏控制系统终端设计的相关软件和程序代码。该章第一部分说明了提取字模所需要用到的软件和操作步骤;第二部分给出了程序流程图并详细解释了该系统的工作原理及工作过程。
第5章作为全文的最后一章,总结概括了本次毕业设计的全部工作内容,期间的收获,以及对LED显示屏行业的展望。
第2章 LED显示屏工作原理
2.1 光学和人眼视觉惰性
人眼的分辨有限,但是人眼对不同颜色光线的分辨能力是不一样的,它对不同颜色的敏感是来源于3 种视网膜上视锥细胞。而不同种类的视锥细胞对不同的颜色会产生不同的敏感,它们的视敏曲线表示如图2.1所示,分别是Rs(λ) 、Gs(λ) 、Bs(λ),从图上可知红视锥细胞、绿视锥细胞和蓝视锥细胞这3 种视锥细胞分别对红、绿、蓝三种颜色是最敏感的。在这3 种视锥细胞的共同作用下,人眼就可以得到对颜色的总体感觉[6]。依据对人眼的研究,可以看出,各种颜色都可以由R、G、B 三基色按照不同的比例合成得到。

图2.1 视锥细胞视敏函数曲线
当光源消失的时候,人眼对光线亮度的感觉是不会马上消失的,而是随着时间的流逝而逐渐减小的,就像是视觉拖影一样,这是因为人眼具有视觉惰性。视觉惰性是指人眼对于光线的感知、传输、处理等进程都需要一定时间,所以导致人眼的视觉具有一定的低通特性。通过科学家做过的视觉实验,我们发现当外界光源突然消失的时候,人眼对光线亮度的感觉是按指数规律而逐渐减小的。根据这个科学事实,当一个电源反反复复的通断并且通断的频率较低的时候,人眼就会很容易发现光源亮度的变化;但是当通断频率不断提高的时候,人眼就逐渐不能发现亮度的微小变化了,会造成一定的视觉暂留。所以不会引起人眼的最低反复通断频率被称为“临界闪烁频率”,只要电源的反复通断频率大于等于临界闪烁频率,人眼就会认为光源的亮度是没有变化的。LED显示屏的临界闪烁频率为55Hz,也就是说,当LED 显示屏的刷新频率大于等于55Hz时,人眼就不会察觉出所显示画面的闪烁情况。所以刷新频率越高的LED,其画面的质量也就越好;但随着刷新频率的越高,对屏体背后的驱动电路和控制电路的要求也就越高[8]。
人眼的视觉惰性使得LED显示屏得以大规模的应用。首先,通过利用人眼的视觉惰性,通过不断地进行改进和设计,可以使LED显示屏的驱动电路进一步完善的,目前,扫描驱动方式作为LED显示屏的主流刷新方式。相较于其他扫描方式,采用扫描驱动方式,LED显示屏是不需要为每个发光二极管都提供独立的驱动电路的,而是采用多个发光二极管将其组成一组,再由一个驱动电路为这一组发光二极管提供驱动。通过扫描驱动方式,在LED显示屏的扫描频率高于临界闪烁频率的前提下,可以使得各组发光二极管按顺序点亮,利用视觉惰性,人眼就会认为各组发光二极管是同时点亮的。由于大型的LED显示屏所需要的发光二极管的数目极其庞大的,由几千只到几万只之间不等,采用扫描驱动方式,可以大大节约驱动电路等硬件电路。其次,不同于图形显示,图像显示不仅需要显示出物体的轮廓,还需要表现出画面中各部位的深浅变化。所以,图像显示还需要有灰度级的显示功能,能通过改变LED显示屏各个发光二极管的发光强度,就可以控制灰度级的显示。即灰度级显示要求LED 显示屏能控制各个发光点的发光强度[9]。
2.2 LED显示屏单元板介绍
2.2.1 LED单元板基本组成模块简介
LED 单元板发光部分的构成主要有直插式、模块式、贴片式3 种,这三种构成方法各有优缺点,在实际运用中应正确选择所需要的类型,以下分别对3种构成方法进行简要介绍。
直插式LED由PN 结、环氧树脂、金属引脚3 部分组成,其实物图如图2.2所示。相比于其他两种结构,直插式LED的产生时间较为久远,但其相对简单的构造使其具有很多不可比拟的优点。第一,直插式LED因发展时间较长,所以它的生产工艺是最为成熟的;第二,直插式LED在生产工艺的不断进步下,其生产成本也在逐渐下降,目前售价极为低廉,这为大批量的使用做出了有效的经济保障;第三,直插式LED的光效率明显高于其他两种结构,在大量使用的时候,可以大大降低能源的消耗,这也符合现在节能环保的绿色理念。但是因其技术的老旧,直插式LED在体积方面相对其他两种结构要大得多,对于如今高度集成化的电路设计起到了阻碍,而且它的光衰相对贴片式会略高。所以,在实际运用中应正确选择所需要的构成方法。

图2.2 直插式发光二极管实物图
点阵式LED模块是一种将一定数量的半成品LED芯片再次加工形成的产品。点阵式LED模块的主要区别在于排列方式和圆孔直径。目前,八行八列的排列方式是LED显示屏行业最主流的结构,其实物图如图2.3所示,此外还有五行八列和五行七列两种排列方式。

图2.3 8×8点阵式LED模块实物图
图2.3中画出了室内点阵式8×8点阵单色LED 模块封装图,这种模块将64个发光二极管以八行八列的方式进行整齐地排列在一个正方形的底座上,在模块内部已经将64个发光二极管的各个引脚连接,并在底座的上下两侧分别引出一排8针引脚,使用时可通过这两排引脚对此8×8点阵单色LED 模块进行控制。目前,八行八列的排列方式是LED显示屏行业最主流的结构,此外还有五行八列和五行七列两种排列方式。点阵式LED模块除了发光二极管的排列方式不同之外,还在圆孔直径,即像素点的大小方面有所区别。当发光二极管的数量不变时,点阵式LED模块的圆孔直径越小,组成的显示面积也就越小,但是其清晰度就会越高,但是LED显示屏一般都是又成百上千个8×8点阵式模块组成的,当观看者距离显示屏较远时,就不容易看清屏幕所显示的内容了。目前,主流的圆孔直径的大小为3mm、3.75mm和5mm,所以使用者需根据具体使用环境的不同选择最佳的孔径尺寸。
在2002年,贴片式封装的LED(SMD LED)逐渐被市场所接受,并获得一定的市场份额,从直插式封装转向SMD符合整个电子行业发展大趋势,很多生产厂商推出此类产品[10]。贴片式封装的LED很好地解决了直插式封装在亮度、视角、平整度和一致性等方面的问题,并通过使用新型材料使其自身重量得到了极大的降低。与直插式封装的LED相比,贴片式封装的重量只有其一半左右,因而被广泛应用于室内和半户外全彩LED显示屏。
2.2.2 LED单元板类型介绍
在模块化结构的不断发展下,LED显示屏行业也逐步跟进,将LED显示屏拆分为LED单元板,形成其独有的模块化结构,LED显示屏可以看做是LED单元板在长和宽两个方向上的延伸。所以,LED单元板是组成LED显示屏的基本单位,可根据使用场景的要求,将若干LED单元板进行组合,即可得到长宽比符合使用需求的LED显示屏,基于LED单元板的模块化结构,在生产施工中大大节约了大量的时间。LED单元板不仅包含发光二极管,还将行、列驱动芯片以及接口电路进行了组合,使电路结构更加简单明了。
以上是毕业论文大纲或资料介绍,该课题完整毕业论文、开题报告、任务书、程序设计、图纸设计等资料请添加微信获取,微信号:bysjorg。
相关图片展示:









