任意波形信号发生器的设计与仿真毕业论文
2020-02-19 20:35:26
摘 要
波形信号发生器,又称振荡器或者信号源,它在航空航天、广播通信、生物医学,还有农业,以及科研、实验教学等各领域应用都非常广泛。但是随着现代信息科技,电子测量,计算机网络技术的迅速发展,测试领域已经延伸至各行各业,越来越复杂的被测设备信号种类也不断出现,因而传统的信号源发生器已经不再能满足我们实际测试的需要,所以就有了能够产生实际需要的任意波形信号发生器,它的出现给测试测量翻开了新的篇章。
在传统信号发生器的基础上,任意波形信号发生器添加了可以选择生成公式波形的模块,只要在“输入公式”文本框输入需要波形的公式代码,即可产生相应的波形,这样不仅可以生成常见的测试激励信号,还可以根据实际需求利用公式波形函数生成任意信号,同时还可以在输出信号中添加不同的噪声,且噪声类型和幅值都可以自定义,极大地方便了实际生产和实验科研。
本文详细研究了任意波形信号发生器的系统构成和设计原理,对里面的关键性技术作了重点讨论,并通过LabVIEW建立了任意波形信号发生器系统的仿真模型,可以产生常规的正弦波、方波、三角波、锯齿波四种基本波形,并且可以完成频率、幅值、偏移量、占空比、采样数等相关参数的调节,同时可以实现公式输入产出任意波形信号,频率和幅值可调,在设计中还根据实际仪器操作的情况添加了三种噪声干扰,而且噪声的幅值和标准差可调,模型的功能设计可以根据实际生产使用的需要来进行不同的选择,使模拟仿真更加贴近实际情况,为选择所需的信号源提供了很大的便利。
关键词:虚拟仪器;任意波形信号发生器;噪声干扰
Abstract
Waveform signal generator, also known as oscillator or signal source, it is widely used in aerospace, broadcasting and communication, biomedicine, as well as agriculture, scientific research, experimental teaching and other fields.However, with the rapid development of modern information technology, electronic measurement and computer network technology, the testing field has been extended to all walks of life, and more and more complex signal types of equipment under test are also emerging.Therefore, the traditional signal source generator is no longer able to meet the needs of our actual testing, so there is an arbitrary waveform signal generator that can generate the actual needs, which solves the problem that the traditional signal generator cannot solve.
On the basis of the traditional signal generator, the arbitrary waveform signal generator adds a module which can choose to generate the waveform formula.As long as the input formula in the "input formula" text box input required waveform formula code, can produce the corresponding waveform.In this way, not only common test excitation signals can be generated, but also arbitrary signals can be generated by using formula waveform function according to actual requirements.At the same time, different noises can be added to the output signal, and the noise type and amplitude can be customized, which greatly facilitates the actual production and experimental research.
In this paper, the system structure and design principle of arbitrary waveform signal generator are studied in detail,the simulation model of arbitrary waveform signal generator system is established by LabVIEW, which can generate four basic waveforms, namely, sine wave, square wave, triangle wave and sawtooth wave.In addition, it can complete the adjustment of frequency, amplitude, offset, duty cycle and sampling number, and at the same time, it can complete the formula input and output of any waveform signal with adjustable frequency and amplitude.In the design, three kinds of noise interference are added according to the actual instrument operation.The functional design of the model can make different choices according to the needs of actual production and use, which makes the simulation more close to the actual situation and provides great convenience for selecting the required signal source.
Key Words:Virtual instrument;Arbitrary waveform signal generator;noise
目 录
第1章 绪论 1
1.1 课题研究的目的和意义 1
1.2 任意波形发生器系统概述及发展现状 1
1.3 课题研究内容及整体章节安排 3
第2章 任意波形信号发生器 4
2.1 任意波形信号发生器基本原理 4
2.2 任意波形信号发生器系统构成 5
2.2.1 前面板整体设计 6
2.2.2 信号波形参数设置 6
2.2.3 噪声 9
2.3 任意波形信号发生器函数主程序 9
2.3.1 事件结构 10
2.3.2 条件结构 12
2.3.3 任意波形发生器程序说明 13
第3章 任意波形信号发生器系统波形仿真 20
3.1 经典波形 20
3.2 公式波形 21
3.3 噪声波形 23
第4章 结论 25
参考文献 26
致 谢 27
第1章 绪论
1.1 课题研究的目的和意义
随着计算机、数字信号处理和电子信息技术的迅速发展,以及这些软硬件信息技术在众多实验、测量领域的广泛应用,仪器领域已经在悄无声息地发生着巨大变化。虚拟仪器是一种非常灵活易变并且功能强大的仪器,它把现有的计算机,软件技术和高性能模块化硬件有机地结合为一体,其中虚拟仪器技术( Virtual Instrument, VI)是将便捷高效的软件平台与高性能的模块化硬件结合在一起来完成各种测试、测量和自动化的一种应用技术[1]。显然,在越来越复杂的测试以及通信行业中,这种虚拟仪器的出现,对测试的数量规模和相应科研进度无疑都发挥了至关重要的作用。
信号发生器正是一种比较典型的虚拟仪器。信号发生器也是一种信号源,能根据实际需要提供各种频率、幅值的波形以及电平信号。常作为测试的信号源或激励源用于测量各种通信系统、元器件、仪器设备的振幅、频率及其它特性参数,广泛应用在数据采集、自动化测量、仪器控制等工业生产,以及较多实验科研、数学领域。
任意波形信号发生器则是近些年刚发展起来的一种应用广泛的虚拟仪器,它不仅仅可以产生我们所需的特定幅值、特定频率的波形信号,而且还可以根据实际情况,产生任意公式波形,这一功能的出现也为测试领域的进一步拓展打下了重要基础。任意波形信号发生器的频率范围低至几微赫,高至几十兆赫,频率可调范围较高,使得它不论在电路实验中还是在设备检测中, 用途都十分广泛。任意波形信号发生器在电路实验中主要是用作信号源,基本是电子电路等各种实验必不可少的重要实验设备,所以研究任意波形信号发生器的系统组成及工作原理显得就尤为重要。 本课题主要利用LabVIEW软件设计搭建一个任意波形信号发生器,成本较低,开发较简单并且易于调试,在当今信息化时代,随着越来越多的社会需求的出现,以及通信和电子技术的迅速发展,任意波形信号发生器作为一种独立的信号源、测试设备, 无疑具有较高的经济与社会价值,掌握其关键技术不仅能大幅度简化相应系统的检测过程,还能降低检测费用,提高检测精度,对电子测量以及各种现代自动化领域的更深一步发展起着尤为重要的作用。
1.2 任意波形发生器系统概述及发展现状
虚拟技术、网络和计算机通信技术一起被称为21世纪科学技术中的三大核心技术,这三大技术也是信息技术中最重要的组成部分。虚拟仪器是虚拟技术中的非常重要的组成部分,也是当今国内国际关注和研究的重点[2]。提到虚拟仪器,就离不开一款与之相关的重要软件,LabVIEW。LabVIEW是由美国国家仪器公司( NI公司)推出的一款采用图形化开发集成环境来编程的软件产品,由于它功能强大、发展迅速、应用范围广泛,被称之为标准的仪器控制和数据采集软件。LabVIEW软件不仅仅构成了NI设计平台的重要核心,同时也成为了众多控制系统和测量开发领域的不二选择[3]。
虚拟仪器的发展历程起源于20世纪70年代,美国的HP(Hewlett-Packard)公司设计、研发了一种可以用于计算机和仪器通信的串行接口系统,简称HP-IL,经过不断的改进成为一种仪器总线HP-IB,也是我们现在所熟知的GPIB接口总线[4]。到20世纪80年代末和90年代初便逐渐开始盛行于测量领域与测试领域,这个概念的出现也彻底地颠覆了软件计算机在测量系统的作用。当在测试自动化系统时,PC扮演的是系统测量与控制的核心角色,而在虚拟仪器中时,PC则只是作为一个测量平台。总体说来,电子测试测量仪器发展至今,经历了四个发展阶段,从最初的模拟仪器,到数字化仪器,再逐渐发展到智能仪器,再就是现在的虚拟仪器。第一代的模拟仪器,在某些实验室所见到的晶体管电压表、指针式万用表等就属于这类仪器; 然后是第二代数字化仪器,想必工科类专业的基本都会很熟悉这类仪器,比如电路实验经常用到的数字频率计、数字电压表等。这种仪器大致工作原理是先将模拟信号转换为数字信号,再对其进行相关的测量,然后输出最终直观的数字结果,这类仪器主要应用于一些需要迅速响应和精确度要求较高的场合;再是第三代的智能仪器,由于在这类仪器里面装有微处理器,所以它不仅可以进行数据自动测试,并且还能完成数据的相关处理操作,这类仪器的出现替代了部分脑力劳动,所以被称之为智能化仪器。这类仪器存在的缺点是它的功能模块都是以固化的软件或者以硬件的方式存在的,这就导致了它不管是在开发测试还是软件应用方面,都还是缺乏一定的灵活性;虚拟仪器是第四代电子测量仪器,它是现代电子测量技术、计算机软件技术、还有无线通信技术互相结合的产物,解决了第三代智能仪器在测试开发中存在的缺陷,它的出现给传统的仪器观念带来了一次巨大的改革,无疑将会是未来测量电子仪器的一个重要发展方向。
波形信号发生器的历史起源可以追溯到上世纪40年代,1943年惠普公司研发设计了第一部信号发生器来供美国海军实验室使用,在随后二十多年,波形信号发生器一直伴随着通信电子技术和软件计算机技术的发展而快速发展。其总体发展历程主要分为技术和功能两方面,技术上来看,波形信号发生器经历了从模拟信号发生器,到数字信号发生器,再是现在的虚拟信号发生器三个阶段;功能上来看,波形信号发生器从最初只能产生基本的正弦信号,发展到可以实现多种功能的信号发生器,再到现在可以产生任意公式波形的任意波形信号发生器。随着现代通信电子测试领域的不断拓展,被测仪器设备的信号种类变得越来越复杂,传统的信号发生器显然已经不再能满足我们实际测试的需要,而任意波形发生器的出现正可以帮助我们解决这一难题。并且随着各项通信电子技术、软件测量技术的不断发展,任意波形信号发生器的应用也将会变得越来越普遍。
现在市场上波形信号发生器的形式较为多样化。比较为人熟知的是美国安捷伦生产的33250A型任意波形发生器,它的优点在于不仅可以产生稳定的波形,而且波形精确度较高同时波形失真较低,这一特点让这款信号发生器在市场上占据了较大优势。相比之下,我国虽然也已经开始了任意波形信号发生器的研制工作,并且取得的成果也较为不错,例如国产的 S1000型数字扫描信号发生器,作为一种扫描源,成功地实现了高精度、宽频带, 同时还应用了镜像技术和DDS技术。但是整体来看,还是没有形成真正成型的产业链,比如就目前国内的成熟产品来看,大多都是 PC仪器插卡,只有较少的VXI系统和独立仪器的部分,这说明了目前我国在任意信号波形发生器的种类和性能方面都与国外同类产品存在着较大的差距,因此我们应加紧对着类产品的研制,争取努力超越他国。
1.3 课题研究内容及整体章节安排
本论文研究的主要内容是基于LabVIEW的任意波形信号发生器系统的基本原理和系统构成。并且给出了本课题所设计的任意波形信号发生器的整体设计过程,包含前面板的搭建以及主体程序的详细结构原理,同时也对课题所涉及的一些必要LabVIEW的相关控件属性设置作了简单介绍。作为一款测试软件或者一种信号源,最重要的当然是产生实验测量所需的稳定波形,所以根据实际使用情况,本文也添加了几种常见噪声,借此来对比分析本仿真设计的稳定性能。
本论文的具体安排如下所示:
第1章,绪论。这部分先是介绍了本课题研究的目的和意义,然后对通过虚拟仪器的发展历程和历史背景的叙述引出本课题的信号发生器的背景情况和发展,同时也介绍了课题研究的基础,LabVIEW软件的一些基本知识,最后对任意波形发生器的国内外发展状况作了简单的概述,并展望了国内的测试仪器、信号发生器等相关产品的进一步发展。
第2章,任意波形信号发生器。主要介绍了所设计的信号发生器系统的系统构成和基本原理,并对主程序中的各个循环结构、事件结构、条件结构以及相应的分支部分进行了详细的分析。以及部分控件的特殊用法及属性设置也进行了简单的介绍。
第3章,任意波形信号发生器系统仿真及相关性能分析。同时分析了任意波形信号发生器系统的系统设计框架及各个功能模块,并利用LabVIEW对仿真模型进行了模拟,验证了预期功能和拓展功能的实现,同时对添加的噪声干扰进行了分析。
第4章,结论。对本次任意波形信号发生器系统所研究的全部内容进行了总结,同时也分析了需要改进的不足之处以及对尚为进行研究的更深刻的问题进行了思考。
第2章 任意波形信号发生器
虚拟波形信号发生器可以连续产生一些设定好的信号波形,它相比于传统的信号发生器,毫无疑问具有更加完善和丰富的功能,本课题所设计的任意波形发生器与普通的波形发生器的不同在于它不仅仅可以产生常见的正弦波、三角波、方波、锯齿波等波形,还可以根据使用者的需要,输入计算公式从而产生所需的连续任意波形,而且根据公式产生的波形可以和设定好的波形一样,幅值、频率可调。课题本身设计的难度并不是很大,重要的是熟悉好设计软件LabVIEW的控件使用方法,还有如何完成前面板中各个按键和主程序之间的人机交互过程,本章主要是针对任意波形信号发生器的系统构成,基本原理以及其中的关键技术进行了相应的研究。
2.1 任意波形信号发生器基本原理
任意波形发生器本质上其实也是一种虚拟仪器。虚拟仪器是由驱动设备、硬件设备与接口和虚拟仪器面板几部分组成的,其中硬件设备与其接口可以是虚拟仪器分类中的各种仪器接口设备, 也可以是其他各种可程控的外置测试设备;驱动设备是一种驱动程序,它可对各种硬件设备接口进行直接控制,当虚拟仪器处于工作状态时,先通过底层驱动软件与真实的仪器设备进行通信,然后在用户计算机屏幕上以虚拟仪器面板的形式将真实仪器面板操作元素相对应的各种控件显示出来。在虚拟仪器操作系统中,扮演主角以及整个仪器的关键是软件部分,而一些硬件则是仅仅完成波形信号的输入和输出。
虚拟仪器的系统构成主要是软件和相应硬件平台这两部分。计算机和硬件接口设备又组成了硬件平台。
相比传统仪器而言,虚拟仪器主要具有以下三个特点:
- 不强调物理上的实现形式。虚拟仪器完成数据的分析处理、数据的控制和采集、数据的显示这三大物理功能是通过软件相应功能实现的。它充分地利用了计算机系统强大的数据处理能力,虚拟仪器可以通过基本硬件,借助软件功能完成数据的采集、数据的分析和最终测试结果的显示,这种通过软件和硬件相结合的方式来实现各种功能的现代仪器,确实比传统仪器方便很多。
- 软、硬件资源的共享在系统内部实现。把计算机网络资源和硬件仪器、DSP关键技术结合是虚拟仪器最大的特点,这样就可以在系统内部实现软件和硬件资源的共享了。这一特点打破了以往只能由厂家决定仪器基本功能的仪器模式,相反而变成可以用户自己决定仪器的各种功能,这样一来就拓展了很多其他的功能,用户们使用的虽然是相同的硬件系统,但是却可以通过不同的软件编程,来实现功能完全不同的测量仪器。
- 图形化软件面板。虚拟仪器不像我们使用的其他仪器具有实实在在的控制面板,它是采用计算机的图形环境,通过可视化的图形编程语言和平台,将用户在计算机屏幕上搭建的图形化软件面板代替常规的传统仪器部件,这一改变可以让用户根据实际使用情况及个人审美观来设计前面板的结构,当然软面板同样也具有和实际仪器相似的开关按钮、圆形旋钮、滑动按钮等众多控制部件,这也是为了模拟实际使用,同时给使用条件受限的用户提供了很大的便利。在进行相关操作的时候,用户直接可以用鼠标或者键盘来控制前面板从而完成仪器的检验和其他操作。
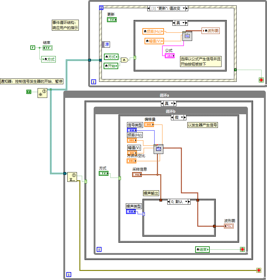
本课题设计的任意波形信号发生器的基本工作原理是首先在前面板左下角“公式”、“发生器”选择按钮先拨至“发生器”,这样当用户对前面板中的“开始”按钮选中,程序开始运行,波形显示模块显示的是“信号类型”数值框中默认的一种波形,可任意选择“正弦波”、“方波”、“锯齿波”和“三角波”四种波形,然后是右边“频率”、“幅值”这两个数值控件和其下方的圆形旋钮是一致的,这里这样设计也是模拟了实际示波器的前面板,使之更加贴近实际情况,这里设置的频率可调范围为:0到2000HZ,幅值可调范围为:0到10V;然后是下面的“偏移量”、“占空比”、“采样信息”的调节,还添加了三种噪声分别为:均匀白噪声、高斯白噪声和周期噪声,对应的幅值、标准差和频谱幅值可调,这是发生器产生固定波形模块的一些功能;当选择开关拨至“公式”按钮时,用户便可以在旁边的公式输入框中输入任意公式,点击旁边“更新”按钮,波形显示部分就会显示相应的波形,这里输入的任意波形设置的频率和幅值可以调节,最后点击右下角的“退出系统”就退出当前程序。
与前面板相对应的就是主程序了,函数主体是基于两个循环,一个事件循环,一个条件循环,然后是通过通知器在两个循环间传递信息,让程序不断反复地执行。事件循环的过程是响应前面板的人机交互,当“开始”和“方式”布尔量都为“true”时,并且公式输入框中有输入公式,然后点击“更新”按钮后,就产生相应的公式波形;条件循环则是当“开始”按钮并且“方式”选择“发生器”时就连续地产生波形,按下“暂停”按钮后停止产生波形。这里面的循环a作用是使得可以多次开始和暂停波形发生器,如果没有这个循环,那么当开始时整个程序就只能执行一次,就跳出循环,显然不符合要求,所以循环a至关重要,循环b的作用是用于在按下“开始”按钮并且“方式”选择“发生器”后发生器可以连续地产生波形。以上就是整个波形信号发生器的基本工作原理,符合预期的设计安排。
2.2 任意波形信号发生器系统构成
任意波形信号发生器主要由前面板和程序框图组成,由用户对前面板按钮进行操作,然后通过控件相应后台程序,从而完成波形的显示、修改、调节等操作,其系统构成示意图如图2.1所示。
以上是毕业论文大纲或资料介绍,该课题完整毕业论文、开题报告、任务书、程序设计、图纸设计等资料请添加微信获取,微信号:bysjorg。
相关图片展示:









