仙鹤1850TD白水泥新型干法线预热器设计毕业论文
2020-05-22 20:58:07
摘 要
ABSTRACT II
第一章 概论 1
1.1 白水泥的概念用途及质量 1
1.2 目前我国白水泥生产现状 1
1.3 选题意义 5
第二章 工艺设计 12
3.1 六级预热分解系统 12
3.2 开发六级预热系统的必要性及可行性 17
第三章 工艺设计及设备选型 19
3.1 计算煤灰掺入量 19
3.2 计算熟料化学成分 20
3.3 校验熟料化学成分和率值 21
3.4 窑尾风量计算计算 22
3.5 一级旋风筒预热器计算 24
3.6 分解炉设计 26
3.7 设备选型 28
第四章 结论 29
仙鹤1850T/D白水泥新型干法线预热器设计
摘 要
白水泥是生产规模最大的装饰水泥品种。为了使白水泥生料和窑分解炉产生的热烟气进行换热,把烟气中含有大量的热量吸收,第一步进入预热器系统,是进入新的干法水泥生产线的原材料进入窑的过程中的基本过程。随着热处理的变化,水泥生料温度逐渐升高,热烟气温度逐渐减小,即两个温度差减小,传热速率明显降低,因为在两个温度差是作为驱动力驱动的整个传热过程,当白水泥原料和烟气温度差是零,传热停止。还有一部分人说热传递是仍是控速的主要因素[[1]]。所以,如果我们要减少热量消耗,用原材料回收更多的热量,多阶段换热器是最有效的方法。作为一种原料,经过热交换分离后的烟气,并在较高的温度下再次换热。在一定的条件下,随着预加热炉级数的增加,传热的数量会增加,而热损失也会减少。本设计为仙鹤1850T/D白水泥新型干法线预热器设计。该设计包括过程和预热器及分解炉设计两部分工艺设计,包括工艺流程图、布局设计,主要解决设备平面布置和操作流程。除了一些详细的尺寸设计。预热器的规格设计主要由热计算和设备选择设计组成。热工计算部分首先由基本资料计算煤灰掺入量和熟料化学成分,主要运用了“递减试凑法”等方法。本设计特点是采用六级预热器分解系统作为生料预热设备。在设计过程中,根据国标JC/T 733-2007《白水泥回转窑热平衡测定方法》计算,并运用Auto CAD等制图软件进行辅助设计和绘图。
关键词:白水泥 预热器 热工 分解炉 递减试凑法
The design of Xianhe 1850T/D
New dry normal preheater for white cement
ABSTRACT
White cement is the largest production of decorative cement varieties.In order to make white cement raw meal and kiln decomposition furnace out of hot flue gas heat exchanger, the flue gas containing a large number of heat absorption, the first to enter the preheater system, into the new dry process cement production line of raw material into the kiln before the essential of the procedure。 With the change of thermal process of, slurry temperature gradually increased and the temperature of the hot flue gas decreased gradually, namely both the temperature difference decreases, heat transfer rate decreased significantly, because the heat transfer process in both temperature difference as the driving force, when white cement raw material and flue gas temperature difference is zero, heat stopped。 So, if we want to reduce heat consumption, recycling more calories by raw material, multi-stage heat exchanger is the most effective method。 To be a raw material after heat exchange is separated from the flue gas, and under a higher temperature again for heat exchange。 Under certain conditions, the number of heat transfer will increase with the increase of pre heater series, and the more heat loss will be reduced。 The design for the crane 1850T/D white cement dry line preheater design。 The design includes two parts, the design of the process flow and the design of the preheater。Process design flow chart and process layout design, mainly solve the problem of equipment layout and operation process, and some of the details of the design. The specification design of the preheater is mainly composed of thermal calculation and equipment selection design。 Thermal calculation part of the basic data to calculate the content of the fly ash content and the chemical composition of the clinker, the main use of the "method of diminishing trial and error" and so on。 This design feature is the use of six stage preheater decomposition system as a raw material preheating device。 In the design process, according to the GB JC / T 733-2007 the cement rotary kiln thermal balance determination method ", GB JC / T 730-2007 the heat efficiency and comprehensive energy consumption of cement rotary kiln heat balance calculation method" to calculate, and the use of Auto CAD and other graphics software aided design and draw
Keywords:White cement; Preheater; Thermal; Decomposition furnace; Decreasing trial and error method
概论
白水泥的概念用途及质量
白水泥:白波特兰白水泥的缩写,原粉与适量的烧成部分熔融,以硅酸钙为主要成分,加入石膏量较少的水泥熟料,地面是由白水硬性胶凝材料制成。白色水泥是用于装饰的目的,而白色水泥生产工艺比普通的灰色水泥要好得多。白水泥主要用于勾白瓷砖缝隙,一般不能用于铺整墙,其原因是,低强度的白水泥。白色硅酸盐水泥是硅酸盐水泥,这是主要用于建筑绘画和雕塑装饰工程,以及生产鲜明的艺术装饰元素之类的。目前,白水泥生产主要是基于小型预热器窑,一般小规模的生产,生产技术相对落后,并在同一时间存在高能耗,白度,低工作率的老化设备的很多缺点,不符合我们的国家的新型发展、节能和减排的理念。因此,采用新设备、新技术、新方法,降低能耗和浪费,提高产品质量,在保证质量的前提下提高白水泥产量,以及减少环境污染与资源浪费,是白水泥设计工作者的不断努力的目标。白色水泥是最大的生产规模的装饰白色水泥品种。白水泥与普通水泥之间最明显的区别是具有亮度高,色彩鲜艳,可用于地面,绘画,雕塑,水磨石、建筑装饰材料。随着国内经济的稳步发展,建筑装饰要求日益增加,极大的促进了国内白水泥市场,但受限于国内工艺水平,国内白水泥企业不能满足市场对于高品质白水泥日益增长的需求,为此国内正在逐步开发和推广新型预分解窑白水泥生产技术[[2]],白水泥也可以用于各种颜色的混凝土构件生产。白色硅酸盐水泥是硅酸盐水泥的一种,主要用于建筑装饰工程的粉刷和雕塑以及制作具有艺术特性的装饰部件等[[3]]。随着国内经济的逐步发展,人们对建筑的要求,审美素质的不断提高也越来越高,大大促进了国内的白水泥市场的进展,但由于国内技术水平有限,目前国内生产的水泥产品根本无法满足市场对高品质的白水泥的需求。因此,国内企业正逐步推进的新窑水泥生产技术的开发和推广,以满足市场对高品质的白色水泥需求的目的。
目前我国白水泥生产现状
在我国现有白水泥厂的生产工艺中,存在的窑型落后,能耗过高;漂白工艺技术比较粗糙等普遍问题。国内白水泥生产始于20世纪80年代初,白水泥年总产量在上世纪九十年代初为98.4万吨,到上世纪90年代中期增加到300万吨以上[[4]]。据不完全统计:我国现有的白色水泥厂注册登记已超过80家,年总生产能力可达到6百万吨左右,国内现有超过160白水泥生产线。它们其中超过3.0m回转窑8%,占比不到5%;准回转窑有20多条,约占13%;回转窑准以下已超过130条,占比80%;因此按照三种白水泥回转窑的生产能力,大约各占三分之一,已逐步形成了三足鼎立的局面。




如果按照欧洲和美国的标准,普通波特兰水泥与白波特兰水泥生产的比例约,根据比例估计,根据普通波特兰水泥20亿吨计算,所得白色水泥消费量在最好不超过400万吨,虽然在表面上与我们目前的白水泥生产相比,在饱和条件下,但由于市场的影响,一些国内白水泥厂,以节省资源为目直接灰让水泥和白水泥两股生产线交替生产,这样我们可以看到我国白水泥市场尚未出现严重的产能过剩局面。


目前,在我国,大部分的白水泥厂主要是基于干法中空窑和小型预热器窑生产,相比普通波特兰水泥已广泛应用于新的干法生产工艺,生产规模和技术和经济指标有较大差距。因此,大部分白水泥生产商一般都面临着节能减排的压力。
白波特兰水泥是根据普通波特兰水泥和硅酸盐制品的相对较高的技术含量制成,白水泥虽然主要生产工艺上与普通波特兰水泥是基本上相同的,但也有一定的特殊性。白水泥的生产在我国已经开展了50多年,虽然,但是我国白水泥的生产技术却是在最近几年才得到迅猛发展, 从最初的4万吨年产量至今已有70多年的发展到今天的300多万吨,生产水平稳步提高,一些工厂已经开始采用了先进的预热器分解技术。然而,由于生产和自身特点等限制,从总体上看,装备技术水平的规模仍不能完全满足现代标准。大多数工厂依赖于传统的技术和设备,窑炉的主要类型也大多为干法中空窑。因此整体单机能力不佳,需要进一步提高经济效率,单位产品的消费和其他因素严重受限白水泥工业的发展。虽然白水泥的规模不能与普通硅酸盐水泥相比,但也有大致相同的问题,这不仅需要有自己的发展的经济规模,而且在市场也需要面对残酷的竞争。新厂应达到一定的规模,单输出窑产量应相应扩大,依靠规模经济的模式进行发展,不应该走从依靠前小而多的发展道路。国外NSP技术比中国起步较早,技术先进,生产白水泥的产量比我国多很多,我们仍然在技术的整体水平有很大的差距。为了攻克一些在这方面的难题,还要根据国内情况,因地制宜的关键,以白水泥生产过程的特点相结合,并进行改革和提升自己的技术。到目前为止,现有的国内水泥行业虽然有一定的发展,但仍局限于作为一个整体的技术水平落后,使大多数国内水泥生产线仍然是处在二十世纪90年代的干法中空心窑炉生产工艺中,因此,有一定缺陷的造成的整体水平差距,在中国的水泥生产技术和国外相比下。
我们国家现在目前拥有用于生产白水泥的工艺技术主要有以下所列几种:
干法中空窑生产过程(见图1-1):国内大部分水泥厂和小型干法中空窑,产量只有约50吨,消耗热量[[5]],输出可以达到国外先进水平;在质量方面,但国内生产的白色波特兰水泥80%强度等级低于42.5产品的水平,只有少数产品可以在白度足够达到一级和特级白水泥的要求。







图1-1白水泥的干法中空窑煅烧系统
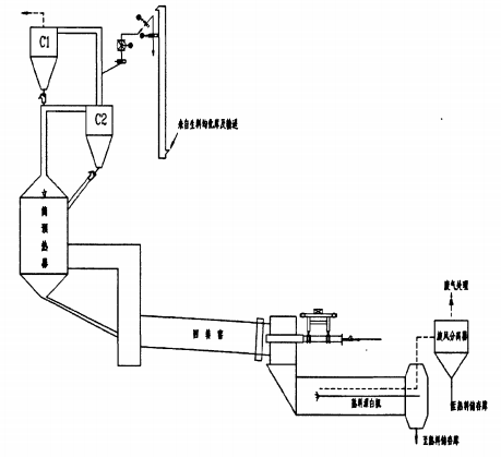
2.立筒预热器窑生产工艺(见图1-2):热耗一般为,产量[[6]],相于前面提到的干法中空窑工艺,运用利用立筒预热器窑的生产方式使白水泥的产量提高了大约20%,能耗也相对下降了大约17%。相比干法中空窑工艺而言,选用立筒预热器窑生产白水泥的工艺取得了一定的进步,但是面临预热器窑的热工制度稳定性不佳等诸多同样的问题,所以生产得到的产品质量与产量均达不到预想水平。





图1-2白水泥的立筒预热器煅烧系统3.预分解窑生产工艺(见图1-3):新型干法预分解窑生产工艺已广泛应用于普通硅酸盐水泥生产中,相对技术比较成熟,但此种工艺应用于白水泥生产的时间相对较晚,光华白水泥厂于90年代初期建设了国内第一条白水泥预分解窑生产线[[7]],且由于设计经验不足导致许多缺陷,在生产初期缺乏技术与人才,虽然随后有一些技术的改进,但生产效果仍不能达到最初的设计目标,是一个具有一定试验性质的工程;国内对预分解窑的真正体现是安庆的阿尔博白水泥生产线[[8]],由天津水泥设计院设计,生产线是用来生产白水泥熟料达40万吨,60万吨白水泥的年生产能力,热耗约为,并开始投入使用,在2010年,性能达到了设计指标。预分解窑技术是从20世纪50年代发展起来的新技术,以悬浮预热和预分解为技术核心,已广泛应用于普通水泥的生产[[9]]。采用新型干法预分解技术,可以大大提高产品质量,降低产品所需能耗,但也因为白水泥生产过程具有其一定的特殊性,导致在白水泥预分解窑生产线的设计工作是很复杂的,投资相对于普通波特兰水泥预分解窑生产线的规模越大,经营难度更高,对操作工人的技术操作要求很高,阻碍了在国内的推广和发展白水泥预分解窑技术。



图1-3白水泥的预分解窑煅烧系统
选题意义
自“十一五”以来,中国的水泥行业严格遵守国家的节能和减排的总体要求,努力增加产业结构调整方向和步伐,大力推进新型干法水泥生产技术,并取得了显著成效。现有大量小型回转窑已通过关停并转、上大改小、淘汰落后产能和等量代换等一系列改革手段,在节能减排等方面取得了积极和有效的进展,但白色水泥作为一种特殊的水泥不属于其调整范围。第十二个五年计划要求各单位要全面落实科学发展观,严格执行产业政策,以降低能耗,减少污染物排放作为首要目标。可见其节能减排任务仍然非常突出,因此,白水泥的调整已势在必行。白水泥生产的经济效益尤为突出,特别是近年来发展迅速。白水泥生产要求高质量的石灰石,如果在该地区用白水泥所需的石灰石,往往会出现大量的白色水泥厂施工。因此,作为白水泥行业的调整应尽快制定相应的政策,以避免只是建立一个新工厂又拆除,造成不必要的人力资源和其他资源浪费。另外,根据使用白水泥不宜过于集中的特点,所以在五百公里范围内建一条生产线比较合适。新的白水泥的规模应该在1000吨以上的日常生产控制,但考虑到问题的销售半径可根据资源条件,重点发展(1000准)和1500()两种窑型。








新干法水泥生产规模大,突出技术优势和先进的技术经济指标和环境排放标准的不断提高,无论是新的或技术改造的白水泥项目,选择新型干法水泥生产过程中白水泥无疑是首选的最佳方案。热分析技术的广泛应用在促进非等温非均相动力学的发展中起到很大的作用[[10]]。
工艺设计
您可能感兴趣的文章
- 利用污泥和低质粉煤灰制备高强度陶粒外文翻译资料
- 注蒸汽井中硅含量对水泥石抗压强度的影响外文翻译资料
- 碳纳米管和二氧化锰纳米粒子修饰的少层石墨烯在高性能超级电容器中的应用外文翻译资料
- 高能MnO2纳米线/石墨烯和石墨烯不对称电化学电容器外文翻译资料
- 影响立式辊磨机性能的操作参数外文翻译资料
- 水泥行业立式辊磨机及其性能参数研究进展外文翻译资料
- 立式辊磨机遇滚磨机基于能量的比较外文翻译资料
- 一种工作在500℃以下用于固体氧化物燃料电池的铌和钽共掺杂钙钛矿阴极外文翻译资料
- 层状钙钛矿A位缺陷的理解: 促进质子陶瓷电化学电池水氧化和氧还原的双反应动力学外文翻译资料
- 基于细菌纤维素/木质素的柔性高石墨化碳气凝胶: 无催化剂合成及其在储能装置中的应用外文翻译资料


