探究二氧化钛纳米材料的显微结构与其光催化性能的联系毕业论文
2020-02-19 15:53:00
摘 要
二氧化钛光催化材料因其能够直接利用太阳能生产化学能(如氢和碳氢化合物燃料)以及降解各种污染物而受到广泛关注。然而,太阳能利用率低、光生电子-空穴对的快速复合等原因一直是提高其光催化反应效率的瓶颈。而异质结结构的引入对解决这一问题提供了有效途径。另一方面,材料显微结构决定材料性能,如何深入理解异质结结构本质、及其对光催化性能的促进机理,还存在一定难度。而透射电子显微技术为研究二氧化钛显微结构,以及探究结构与性能关系提供了可能。
本文采用水热合成法设计并构筑了二氧化钛纳米片和层状石墨烯异质结结构复合材料,并对其进行X射线衍射、扫描电子显微分析和紫外可见漫反射光谱分析对其结构进行了表征,并重点使用透射电子显微分析技术对其显微结构进行了深入解析,并研究了二氧化钛和石墨烯复合材料及其对照组的光催化产氢性能。研究表明二氧化钛纳米片和层状石墨烯异质结结构能够大大促进二氧化钛光催化产氢效率。一方面,石墨烯的存在拓宽了二氧化钛的吸收边界,大大拓展了材料对可见光吸收的波长范围;另一方面,由于石墨烯其实是作为一种助催化剂负载在半导体表面,继而在复合材料界面处形成空间电荷层,使得光生电子很容易从半导体往石墨烯上迁移,所以石墨烯的存在有效阻止了光生电子和空穴的复合,从而提高了二氧化钛的光催化性能。
关键词:二氧化钛;石墨烯;异质结;透射电子显微学;光催化
Abstract
Titanium dioxide photocatalytic materials have received extensive attention due to their ability to directly utilize solar energy to produce chemical energy, such as hydrogen and hydrocarbon fuels, as well as to degrade various contaminants. However, the low utilization rate of solar energy and the rapid recombination of photogenerated electron-hole pairs have been the bottleneck for improving the efficiency of photocatalytic reaction. The introduction of a heterojunction structure provides an effective way to solve this problem. On the other hand, the material microstructure determines the material properties, and how to deeply understand the nature of the heterojunction structure and its mechanism for promoting photocatalytic performance is still difficult. Transmission electron microscopy provides the possibility to study the microstructure of titanium dioxide and explore the relationship between structure and properties.
In this paper, titanium dioxide nanosheets and layered graphene heterojunction composites were designed and constructed by hydrothermal synthesis method, and their structures were analyzed by X-ray diffraction, scanning electron microscopy and UV-visible diffuse reflectance spectroscopy, mainly focusing on analyzing its microstructure by using transmission electron microscopy, The photocatalytic hydrogen production performance of titanium dioxide-graphene composites and their control groups also were studied.Studies have shown that titanium dioxide nanosheets and layered graphene heterojunction structures can greatly promote the photocatalytic hydrogen production efficiency of titanium dioxide. On the one hand, the presence of graphene broadens the absorption boundary of titanium dioxide, greatly expanding the wavelength range of the visible light absorption of the material; on the other hand, On the other hand,graphene is actually supported as a cocatalyst on the surface of the semiconductor, and then a space charge layer is formed at the interface of the composite, so that photogenerated electrons easily migrate from the semiconductor to the graphene, therefore, the presence of graphene effectively prevents the recombination of photogenerated electrons and holes, improving the photocatalytic performance of TiO2.
Key Word: TiO2, Graphene, Heterojunction, TEM, Photocatalysis
目 录
第1章 绪论 1
1.1引言 1
1.2 TiO2概述 1
1.3 TiO2光催化性能 2
1.3.1 研究背景 2
1.3.2 光催化原理 3
1.3.3 存在的问题及提高光催化性能的方法 5
1.4 二氧化钛-石墨烯异质结 6
1.5透射电子显微镜 6
1.5.1简介 6
1.5.2发展历程 6
1.5.3 基本结构 7
1.5.4 基本原理 7
第2章 TiO2和TiO2/GO材料的制备 9
2.1实验原料与设备 9
2.1.1实验原料 9
2.1.2实验设备 9
2.2 制备方法 10
2.3 实验过程 10
2.3.1 TiO2的制备过程 10
2.3.2 TiO2/GO的制备过程 11
第3章材料表征与测试 12
3.1材料表征 12
3.2结果与分析 13
3.2.1 XRD 13
3.2.2 SEM 13
3.2.3 TEM 14
3.2.4 UV-Vis DRS 16
3.3光解水产氢性能测试 16
3.4 二氧化钛-石墨烯异质结结构对光催化产氢性能的影响 17
第4章 结论与展望 19
4.1结论 19
4.2展望 19
附 录 21
致 谢 22
参考文献 23
第1章 绪论
1.1引言
由于能源危机与环境污染的日益严峻,寻找新型可再生清洁能源是人类社会面临的一个重要问题。而太阳能作为一种绿色、清洁、无污染、取之不尽用之不竭的自然能源,因此如何高效的将太阳能转化为化学能是一项具有挑战且意义重大的工作。在已提出的各种技术中,半导体光催化技术被认为是一种理想的绿色洁净技术,可以实现在常温常压下直接将太阳能转化为化学能,因此极大地引起了科学家们的研究兴趣。而其中,光催化剂作为光催化技术的核心部分直接影响整个反应的光催化效率。在众多光催化剂中,二氧化钛也因储量丰富、化学性质稳定、环境污染小和具有很强的光催化活性,成为应用最为广泛的优良光催化剂[1-6]。
自20世纪早期以来,已经有关于二氧化钛的这种光活性的科学研究报道[7]。例如,早在1938年就有关于真空和氧气中二氧化钛染料漂白的报道[8]。报道中称,紫外吸收使二氧化钛表面产生活性氧,导致染料的光漂白。文章中将二氧化钛的这种特殊性质称之为光催化性。虽然自从1974年日本科学家发现了二氧化钛的光解水产氢催化性能以来[9],人们就开展了大量相关的研究,但时至今日,二氧化钛纳米材料性能仍然存在一些问题,例如,在对于其微结构机制、对光催化性能的促进机理、工作原理等方面,还是存在一定的未知。特别是直观而精准地从原子尺度和精细化学的结构的角度揭示二氧化钛显微结构对光催化产氢性能的影响还存在一定难度。这些问题在一定程度上阻碍了二氧化钛光催化材料的进一步发展和应用。
而电子显微学技术的飞速发展为这一挑战提供了机遇。透射电子显微镜(TEM)以波长极短的电子束作为光源,用电磁透镜替代光学透镜,以至于分辨率可达0.2-0.1nm左右,而球差透射电子显微镜的分辨率更是达到了0.07nm以下。这使得在材料科学研究领域可以通过透射电镜揭示原子结构、晶体缺陷、化学成分分析等多方位显微结构信息。而精确直观地解析材料显微结构是解释材料结构与性能关系并优化材料制备工艺的先决条件。因此,本论文旨在通过构建复合结构二氧化钛纳米材料,利用透射电子显微技术在微观尺度、深入探究其显微结构对光催化性能的联系和影响。
1.2 TiO2概述
自然状况下,TiO2主要以四种晶体结构存在:金红石(四方晶系,空间群为
42/
),锐钛矿(四方晶系,空间群为
41/
),板钛矿(六方晶系,空间群为
)以及TiO2(B)(单斜晶系)。锐钛矿型和金红石矿型两种晶型结构均可由相互联接的TiO6 八面体表示,在金红石结构中,每一个TiO6八面体与相邻的10个TiO6八面体相接触,其中2个共边,其余8个共顶点。在锐钛矿结构中,每一个TiO6八面体有8个TiO6八面体,其中4个共边,其余4个共顶点。除此之外,锐钛矿和金红石都是正方结构,晶面参数为
=0.536nm、c=0.953nm(锐钛矿)和
=0.459和c=0.296nm(金红石),而板钛矿属于斜方晶系,镜面参数为a=0.915nm,b=0.544nm和c=0.514nm。金红石使所有晶系中最稳定的晶相,然而在纳米尺度下,锐钛矿金和板钛矿则是最稳定的晶型,他们拥有更低的表面能。此外,TiO2的晶体结构受诸多因素的影响,包括制备方法、退火温度、反应体系pH值等等。不同晶相的TiO2材料所表现出来的性能也有很大不同。

图1.1 二氧化钛晶体结构:(a)金红石,(b)锐钛矿,(c)板钛矿和(d)TiO2(B),紫色球形代表Ti原子,蓝色正八面体代表TiO6六面体
1.3 TiO2光催化性能
1.3.1 研究背景
早在1938年就有关于真空和氧气中二氧化钛染料漂白的报道[10]。报道中称,紫外吸收使二氧化钛表面产生活性氧,导致染料的光漂白。文章中将二氧化钛的这种特殊性质称之为光催化性。Mashio等人从1956年开始发表了一系列题为“TiO2作为光催化剂的自动氧化”的报道。他们将二氧化钛粉末分散到各种有机溶剂如醇和碳氢化合物中,然后用汞灯进行紫外线照射。他们观察到溶剂的自动氧化和同时产生H2和O2。
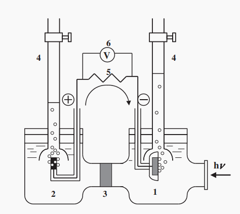
在20世纪60年代后期,Mashio等人开始研究水的光电解,使用单晶n型TiO2(金红石)半导体电极,因为它的正价带边缘足以将水氧化成氧气。即使在含水电解质溶液的存在下,它也是非常稳定的材料,远远超过已经尝试过的其他类型的半导体。1969年首次证明了太阳光电解的可能性,正如图1.1显示的:系统暴露在近紫外光下,并通过电负载连接到铂黑反电极。

图1.2电化学光电池原理图:(1)n型TiO2电极;(2)铂黑电极;(3)离子导电分离器;(4)气笼;(5)负载电阻;(6)电压表[11]
1.3.2 光催化原理
半导体材料能带结构中,导带(CB)与价带(VB)被特定宽度的带隙隔开。当入射电子能量大于带隙能量,半导体吸收光子产生电子空穴对,对应半导体的激发态。产生的电子空穴分别具有一定的还原和氧化能力,处于激发态的半导体的电子空穴发生分离并在体相进行迁移至表面。其中电子跃迁至导带位置,空穴停留在价带。当满足一定条件时,光生电子可以还原水分子产生氢气,光生空穴可氧化水分子产生氢气。发生光解水产氢反应必须满足热力学和动力学条件。
1.3.2.1 热力学条件
水分解产生氢气和氧气是吉布斯自由能增加的反应,是非自发反应。理论上说,完成水解反应,光子能量必须不小于水分子的分解水压(1.23eV)。从半导体能带理论上考虑,光分解水产生氢气和氧气要求半导体同时满足水的氧化半反应电势大于1.23eV和水的还原半反应电势小于0eV,即价带位置更正于1.23eV,导带位置更负于0eV。
1.3.2.2 动力学条件
从热力学上来看,当半导体禁带宽度大于1.23eV,导带位置小于0eV时就可以满足光解水产氢的要求。但实际上,当半导体材料导带位置稍微负于0eV,并且在对材料未进行特殊处理的情况下,光分解水产氢的反应就很难完成。这是由于光还原水分子产生氢气是经过双电子转移机制完成,所需要的电势为-0.41V(pH=7,NHE)即完成光解水产氢需要一定的过电势。
1.3.2.3 光催化产氢具体过程
当用波长短于其带隙的光照射金红石TiO2电极的表面时,约415nm(3.0eV)。光电流通过外部电路从铂对电极流向向TiO2电极。 电流方向显示氧化反应(析氧)发生在TiO2电极,而还原反应(析氢)发生在Pt电极处的。 该观察结果表明,根据以下方案,在不需要施加外部电压的情况下,仅利用UV光即可将水分解成氧气和氢气。
TiO2电极:
Pt电极: 

总反应方程式为: 
TiO2光催化产氢步骤如下:①当入射光子的能量大于半导体禁带宽度对应的能量时,半导体材料吸收入射电子,电子从价带被激发至导带,产生电子-空穴对。在这一过程中半导体禁带宽度决定了其对太阳吸收能力。由于太阳光能量主要集中在可见光和红外光部分,因此拓宽材料光吸收范围成为研究半导体光催化方面的一个重要方向;②光生载流子在从体相迁移至表面,在迁移过程中发生体相及表面的电荷复合。晶体结构和半导体材料结晶性时该步骤的关键因素。缺陷是电子和空穴的捕获中心,也是电子空穴的复合中心。一般认为,催化剂内部结晶性越好,体相缺陷越少,越有利于光生载流子在体相的迁移。半导体表面缺陷有利于捕获从体相迁移出来的载流子并成为催化反应中心;③迁移至表面的电子还原在半导体表面的吸附氧,由于水解反应是上坡反应,逆反应也比较容易发生,为了促进光解水产氢反应的进行,通常将半导体材料与贵金属助催化剂复合,使其在半导体表面形成产氢的活性位点。

图1.3半导体上典型光催化过程的示意图
1.3.3 存在的问题及提高光催化性能的方法
基于半导体的光催化技术虽然因其能够直接利用太阳能生产太阳能燃料(如氢和碳氢化合物燃料)以及降解各种污染物而受到广泛关注。然而,由于电子-空穴对的快速复合和较低的光利用率使得光催化反应的效率仍然很低。具体而言,半导体上的光催化反应包括至少五个主要步骤:i)半导体的光吸收;ii)光生电子-空穴对的形成;iii)光生电子-空穴对的迁移和重组;iv )反应物的吸附和产物的解吸;v)在半导体表面上发生氧化还原反应。其中,电子-空穴对的重组在光催化过程中起负面作用,它使得产生的有效电子-空穴对的数目减少。从而降低了材料的光催化性能。
以上是毕业论文大纲或资料介绍,该课题完整毕业论文、开题报告、任务书、程序设计、图纸设计等资料请添加微信获取,微信号:bysjorg。
相关图片展示:









