抓斗式挖泥船B型斗齿材料组织及性能研究毕业论文
2020-04-07 14:04:30
摘 要
挖泥船被广泛用于清理河道,航道疏浚,吹沙填海,而斗齿是挖泥船最为重要的部件,在使用过程中与淤泥,岩石,石英砂等长时间直接接触,往往发生磨粒磨损,磨损后需要更换新斗齿,增加了挖泥船生产成本。国内主要使用铸造高锰钢作为斗齿生产材料,随着工业化的进程不断加快,人们对挖泥船斗齿材料以及生产工艺提出了更高的要求。
本文通过设计制备抓斗式挖泥船B型斗齿材料,优化合金元素种类及配比,进行材料的熔炼、成分的分析,并对不同热处理状态的试样进行金相组织观察和力学性能测试,分析其力学性能特点,从而选择出最合适的斗齿材料。
关键词:挖泥船;斗齿;热处理;力学性能
Abstract
Dredgers are widely used to clean up rivers, channel dredging, sand blowing and reclamation. bucket teeth are the most important components of dredgers. during use, they are in direct contact with silt, rock, quartz sand and other long periods of time. abrasive wear often occurs. after wear, new bucket teeth need to be replaced, which increases the production cost of dredgers. Cast high manganese steel is mainly used as bucket teeth production material in our country. with the continuous acceleration of industrialization, people put forward higher requirements on bucket teeth material and production technology of dredgers.
In this paper, the type b bucket tooth material of grab bucket dredger is designed and prepared, the type and proportion of alloy elements are optimized, melting and composition analysis of the material are carried out, metallographic structure observation and mechanical property test are carried out on samples with different heat treatment States, and the mechanical property characteristics are analyzed, thus the most suitable bucket tooth material is selected.
Key Words:dredger;bucket tooth;heat treatment;mechanical properties
目 录
第1章 绪论 1
1.1 国内外挖泥船现状与趋势 1
1.2斗齿材料的发展及现状 1
1.2.1 斗齿的发展 1
1.2.2挖泥船斗齿的工况条件 2
1.2.3一种比较先进的斗齿材料 2
1.3挖泥船专用斗齿材料的确定 3
第2章 B型斗齿材料实验研究 4
2.1 B型斗齿材料成分设计 4
2.2 材料的熔炼 5
2.2.1 切割 5
2.2.2喷丸处理 5
2.2.3 称重 6
2.2.4熔炼 7
2.2.5浇注 7
2.3试样的切割 7
2.3.1切割前预处理 7
2.3.2切割 7
2.4成分分析 8
2.5热处理工艺 8
2.6组织观察及性能测试 9
2.6.1光学组织观察 9
2.6.2硬度测试 9
第3章实验结果与分析 11
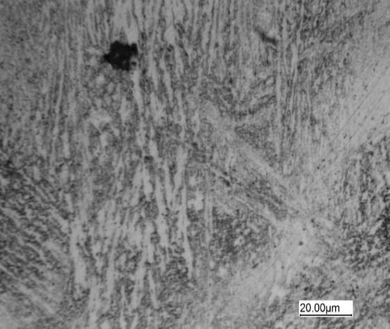
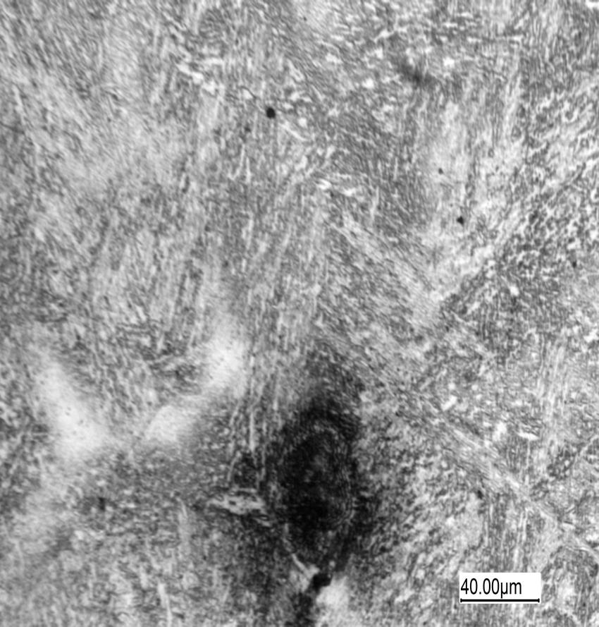
3.1金相结果分析 11
3.1.2正火热处理工艺研究 11
3.1.3淬火热处理工艺研究 12
3.1.4回火热处理工艺研究 12
3.2硬度测试结果分析 14
第四章 结论 15
参考文献 16
致 谢 17
第1章 绪论
1.1 国内外挖泥船现状与趋势
当今挖泥船大多用于清挖河道与河川淤泥、环保清污、航道疏通、吹沙填海、岛屿建设和市政建设,我国尚处于起步阶段,具有十分广阔的发展潜力。近年来,拥有广阔水域和海岸线的国家意识到了海洋经济的重要性,在疏浚技术及挖泥船研究方向投入了大量资金,挖泥船取得了令人瞩目的发展。
而中国江河湖泊众多,海域辽阔,水资源总的分布情况是南多北少,水域、河流、航道及海域施工量大,在疏浚吹填施工中,挖泥船得到了广泛的应用,我国由于挖泥船发展尚不先进,不得不从国内外进口相当数量和规模的挖泥船,耗资巨大,但是与此同时也开始相继自行设计建造不同型号的挖泥船。由于建造大型挖泥船需要先进技术的支持,与此同时,国内外对挖泥船建设秉承着不同的设计理念与想法,并且挖泥船所适用的工况条件千差万别,从细砂到石英砂等,工作介质硬度变化范围很广,因而国内外挖泥船发展理念与方向存在着巨大悬殊。
挖泥船的工作能力是按每小时能够挖多少立方米泥土来衡量的,挖泥船按照动力系统来分,有机动和非机动之分,按照其施工特点又可分为耙吸式,铰吸式,链斗式,抓斗式和铲斗式等。
1.2斗齿材料的发展及现状
1.2.1 斗齿的发展
随着国家工业化程度的不断提高以及海洋经济战略的提出,开山采矿与采石、航道疏通的设备都需要用到斗齿,因为长期与泥土、岩石不断接触磨损,磨损后必须更换斗齿保证其使用,效率较为低下。通常使用耐磨合金钢作为斗齿材料[1],砂型铸造、精密铸造和锻造是其主要的三种生产方法,得到试样后一般都需要进行一定的热处理加工[2]。国内在上世纪70年代就开始进行了斗齿材料及工艺的研究[3],但研究成果不够显著,斗齿材料发展潜力巨大。改革开放后,随着开放的程度和深度不断扩大,基础设施建设投入资金不断增加,国内机械设备的生产量的不断增加,斗齿这类易损件的用量需求不断扩大。伴随而来的是,不同规模的斗齿生产厂家如雨后春笋般涌现。斗齿产品的材料大多都能通用,一般工况条件下使用寿命稍长,若工况恶劣斗齿便需要经常替换。实际生产中,为了最大程度地利用材料的性能与特性,也为了节约成本,选择斗齿材料前最好实地考察,根据工况所要求的材料性能确定所采用的斗齿材料。比如, ZGMn13(高锰钢)斗齿[4]是国内前段时间使用最多的斗齿材料,该材料在使用过程中,若是斗齿承受的冲击应力过小,高锰钢不会出现加工硬化现象,往往会造成斗齿材料强度不够,不满足使用要求。当今,越来越多的人开始注意到了此类问题,并针对此类问题给出了自己的建议[5,6]。挖泥船斗齿在实际工作中也遇到了类似的问题,伴随当今随着海洋技术的不断发展以及新形势下的战略需求,全球的发展重心都开始移向海洋,针对此类现状,政府也顺应形势提出发展海洋经济的方针,但是目前还是由很多生产厂家仍使用普通的合金成分进行铸造,使用效果达不到预期目标[7, 8,9]。
1.2.2挖泥船斗齿的工况条件
河道、海域等疏浚施工需要用到挖泥船,均在水中工作[10]。斗齿是挖泥船的核心部件,斗齿在实际工作中所承受的的冲击载荷一般不大,工作过程中的主要工作介质是高硬度的石英砂(SiO2),而当前国内主要使用的斗齿材料,经过热处理后,
硬度值仍然小于石英砂硬度。
1.2.3一种比较先进的斗齿材料
铸造硅锰合金钢[12]:此种材料把碳和各种合金元素的作用都考虑了进来,主要的合金成分如表1.1所示。斗齿材料普通硅锰钢成分如表1.2所示,两表比较可以发现,硅锰钢较高锰钢而言,显著降低了锰元素的含量,锰可以很大程度地提升钢的淬透性,锰还会与硫元素产生硫化锰夹杂,降低了材料产生结晶裂纹的倾向,然而锰元素的百分比含量也不能过高,建议含量低于2%,否则钢的热敏感性会大大提升,晶粒有长大倾向从而材料韧性降低。硅锰钢中稍微增加了硅元素的百分含量,加入硅元素后,材料的冷作硬化能力得到提高,塑性韧性也得到优化,耐磨性也较为优良[13]。
表1.1硅锰钢的化学成分(质量分数,%)
合金元素 | C | Si | Mn | S | P | 其他 |
质量百分比 | 0.27-0.38 | 0.8-1.4 | 1.3-1.7 | ≤0.04 | ≤0.04 | 微量 |
表1.2 普通高锰钢的化学成分(质量分数,%)
合金元素 | C | Si | Mn | S | P | 其他 |
质量百分比 | 1.00-1.45 | 0.3-1.0 | 11.0-14.0 | ≤0.04 | ≤0.07 | 微量 |
但是硅含量也不宜过低,若是含量过低,柱状晶长大倾向,韧性下降。对硅锰合金钢进行高温淬火 回火(调质)的热处理工艺[15],经过此项热处理,试样主要组织为马氏体,而高锰钢经处理后得到的组织为单一奥氏体组织。较之于奥氏体,马氏体具有硬度高,强度高和良好的耐磨性等特点,冲击韧性也优于高锰钢
1.3挖泥船专用斗齿材料的确定
针对挖泥船的工作过程中的工况条件,并参考了别人设计的斗齿材料的成分,最终选用中碳合金钢作为实验的斗齿材料。为了使生产出的斗齿材料满足使用要求,材料中主要合金元素应该有Mn,Si,Gr,Mo等。斗齿在使用过程中,其尖部受到较大的冲击滑动磨粒摩擦磨损,尖部表面出现各式犁沟,凿削及变形,造成表面磨损和剥落。因此,所设计的斗齿材料必须满足高硬度,强度的要求,同时也应该具备较高的塑性与韧性,并且能承受一定的冲击与磨损。板条马氏体(内部存在着密度十分大的位错林),因而板条马氏体硬度,强度较高,同时塑性,韧性性能也较为优良,其综合力学性能最高;故斗齿材料最合适的金相组织是板条马氏体。
第2章 B型斗齿材料实验研究
2.1 B型斗齿材料成分设计
通过查阅相关文献资料了解到,国内外对斗齿所用材料已经进行了大量的研究,材料从传统的高锰钢到改进后的高锰钢、 硅锰钢、准贝氏体钢以及低合金耐磨钢[16];生产工艺在近年来取得了长足的发展,渐渐地从传统的铸造过渡到低合金锻造。当下,国内斗齿材料生产厂家大多生产的是铸造高锰钢,由于配方设计不合理以及生产技术水平不够,不得不从国外进口部分锻造低合金钢[17]。显而易见的是,如果斗齿生产工艺先进并且具有优良的综合力学性能,材料的利用率会大大提高,耗材量也会将低,生产成本便会大大减少,经济效益会大大改善,并能确保生产过程中的安全,设备运行效率大大增加,同时设备维修工作量也会将低,工人劳动条件得到改善,社会效益也会大大提升。而本课题研究的B型斗齿所适用的工况条件是中粗砂,要求斗齿材料具有一定的强度与硬度,并具有一定的塑性与韧性,最大限度地提高其耐磨性,并且要能承受一定的冲击载荷。 通过多种文献资料的阅读,以及其力学性能要求,大致确定了B型斗齿材料目标成分,选用了高碳CrFe,低碳CrFe,Mo-Fe,废铁,中碳锰铁,硅铁这六种原材料,原材料各种成分如表2.1所示。
表2.1各种原材料成分表
炉料成分 | C | Si | Mn | Gr | Mo | S | P |
高碳CrFe | 8.100 | 1.000 | 55 | 0.04 | 0.04 | ||
低碳CrFe | 0.250 | 1.200 | 54 | 0.03 | 0.03 | ||
废钢 | 0.230 | 0.240 | 0.570 | ||||
Mo-Fe | 0.100 | 1.000 | 55 | 0.04 | 0.022 | ||
中碳锰铁 | 1.930 | 1.570 | 75.220 | 0.016 | 0.26 | ||
硅铁 | 0.100 | 74.160 | 0.430 | 0.02 | 0.017 | 0.023 |
而所确定的目标成分如表2.2所示,
表2.2目标成分表
成分 | C | Si | Mn | Cr | Mo | S | P |
B型斗齿 | 0.2 | 1.1-1.4 | 1.8-2.2 | 0.3-0.4 | 0.3-0.4 | ≦0.03 | ≦0.03 |
通过wps表格公式计算出B型斗齿各种配方的百分比,主要元素百分比落在目标范围内,S,P等杂质不能超标,S,P杂质含量过多会使铸件在使用过程中产生热裂纹,计算过程中还需要考虑到各种材料在铸造过程中的烧损,算出的配方表2.3:
表2.3 B型斗齿材料配方表
炉料 | 重量Kg | % | C | Si | Mn | Cr | Mo | S | P |
高碳CrFe | 8.00 | 0.800 | 0.065 | 0.008 | 0 | 0.440 | 0 | 0.000 | 0.000 |
低碳CrFe | 30.00 | 3.000 | 0.008 | 0.036 | 1.620 | 0.001 | 0.001 | ||
废钢 | 933.00 | 93.300 | 0.215 | 0.224 | 0.532 | ||||
Mo-Fe* | 7.00 | 0.700 | 0.001 | 0.007 | 0.385 | 0.000 | 0.000 | ||
Si-Fe | 14.00 | 1.400 | 1.038 | ||||||
中碳MnFe* | 8.00 | 0.800 | 0.015 | 0.013 | 0.602 | 0.000 | 0.002 | ||
合计 | 1000.00 | 100.000 | 0.303 | 1.326 | 1.134 | 2.060 | 0.385 | 0.002 | 0.003 |
预期铸件成分 %wt | 0.29 | 1.26 | 1.02 | 1.96 | 0.35 |
2.2 材料的熔炼
2.2.1 切割
以上是毕业论文大纲或资料介绍,该课题完整毕业论文、开题报告、任务书、程序设计、图纸设计等资料请添加微信获取,微信号:bysjorg。
相关图片展示:









