弧焊电源主电路的MATLAB仿真分析毕业论文
2020-02-19 15:45:37
摘 要
在焊接技术越来越发展的今天,焊接在各个领域的作用越来越突出。了使焊接技术以及焊接参数能够更好地得到运用,所以弧焊电源的发展也越来越重要。
本次课题的研究对象是晶闸管式弧焊整流器、IGBT逆变式弧焊电源。先要了解其工作的基本原理,然后通过MATLAB里面的Simulink仿真模块分别对晶闸管式弧焊整流器的三相桥式整流电路、三相桥式半控电路、以及带平衡电抗器的双反星形整流电路以及IGBT式弧焊逆变器中的全桥、半桥主电路形式进行模拟及仿真。通过对各个部分的工作情况,工作状态进行分析,然后对各工作元件进行参数的调节,可以得出在不同工作条件下的各种波形结果。最后把仿真结果与理论分析的结果进行对比,检测仿真电路的正确性。
利用MATLAB/Simulink对电路进行建模和仿真,得出与理论结果相符合的仿真结果,为虚拟教学平台的建立做准备,最终达成建立虚拟教学平台后,不仅可以弥补实验仪器、元器件不足等因素对教学的影响,还可以让学生观察到各个元器件上动态电流、电压波形图,并且可以对不同工作状态下的元件的状态进行分析调整,得出不同工作环境下的波形图,这使得能够更好地了解元器件功能,从而可以大幅度提高教学效果。
关键词:晶闸管整流器;IGBT;逆变器;仿真;MATLAB/Simulink
Abstract
Today, with the development of welding technology, welding is playing an increasingly prominent role in various fields. In order to make welding technology and welding parameters better applied, the development of arc welding power supply is becoming more and more important.
This topic in the research on thyristor arc welding rectifier and IGBT inverter type arc welding power source, we must first understand the basic principle of its work, and then through the inside of the MATLAB Simulink module respectively for thyristor arc welding rectifier of three-phase bridge rectifier circuit, three-phase bridge type and control circuit, and the double inverse star rectifier circuit with balance reactor and full bridge of IGBT arc welding inverter type and forms of half bridge main circuit modeling and simulation. By analyzing the working conditions and working conditions of each part, and then adjusting the parameters of each working element, various waveforms can be obtained under different working conditions. Finally, the simulation results are compared with the theoretical analysis results to verify the correctness of the simulation circuit.
To make use of MATLAB/Simulink modeling and simulation, consistent with theoretical results of the simulation results, preparing for the establishment of a virtual teaching platform, finally achieved after establishing virtual teaching platform, not only can make up for a lack of experimental apparatus, components and other factors influence on teaching, also can let students to observe the dynamic current, voltage waveform graph on all components, and the state of the element to the different work condition is analyzed, it is concluded that under different working conditions of waveform figure, this enables us to better understand the function of components, which can greatly improve the teaching effect.
Keywords: Thyristor rectifier;IGBT; Inverter; simulation; MATLAB/Simulink
目 录
摘 要 1
Abstract 1
第1章 绪论 1
1.1 研究背景及意义 1
1.2 国内外研究现状 2
1.3 本文的研究内容 3
第2章 晶闸管式弧焊整流器 4
2.1 晶闸管式弧焊整流器的工作原理 4
2.2 三相桥式半控整流电路分析与模拟 5
2.2.1工作原理 5
2.2.2建立仿真模型 6
2.2.3仿真结果 7
2.3 三相桥式全控整流电路的电路分析与模拟 10
2.3.1工作原理 10
2.3.2建立仿真模型 11
2.3.3仿真结果 12
2.4 带平衡电抗器双反星形可控整流电路的电路分析与模拟 16
2.4.1工作原理 16
2.4.2建立仿真模型 17
2.4.3仿真结果 17
第3章 IGBT式弧焊逆变器 21
3.1 工作原理 21
3.2 全桥及半桥IGBT式弧焊逆变器的结构原理 21
3.3 IGBT式弧焊逆变器仿真主电路的建立 23
3.4 仿真结果 24
第4章 全文总结及展望 27
4.1 全文总结 27
4.2 展望 28
参考文献 29
致 谢 30
第1章 绪论
1.1 研究背景及意义
焊接是通过运用加热或加压的方式,用或不用填充材料,使被焊工件达到原子间结合,并形成永久性固定连接的技术[1],其性能比较优越,焊接有着其他连接方式无法替代的优点,它被称为钢铁的缝纫机技术,因而它与国民经济的各个部门的发展有着直接的关系[1]。近年来,随着应用领域的增加,应用环境也越来越复杂,显然,在没有功能良好的、工作稳定的弧焊电源及其控制技术的情况下是不可能的,同时要实现优良的焊接工艺没有先进的弧焊电源设备和技术也是不可能的,现代工业的发展对弧焊电源的性能要求也越来越高 [2]。
自从18世纪发现电弧开始,人类就开始设想利用设备给电弧提供能量来进行焊接作业,然后科学家们就开始了弧焊电源的开发,到20世纪20年代的时候,结构简单成本低廉的交流弧焊变压器已经问世并开始取代直流弧焊发电机成为新型的电源设备,到20世纪60年代后科学家们研制了很多的新型器件,比如场效应管以及晶体管、IGBT管正是因为这些开关管元件被开发出来,弧焊电源才进入了飞速发展的阶段,慢慢的随着技术的进一步不断发展以及各种新材料的不断出现各种各样的开关管也随之不断的出现 [3]。
晶闸管是晶体闸流管的简称,或者称之为可控硅整流器,晶闸管是比较常见的电子元件,它具有容量大、耐压高、功耗小等特点所以它很适合用作弧焊电源,但是由于它的实验设备价格比较昂贵和设备维修比较困难等原因,在教学活动中用实体元件的可能性比较小,所以虚拟仿真软件在教学与设计中的作用就显得尤为突出。
再就是逆变焊机,逆变焊机的发展也是特别的快速,从晶闸管、晶体管、场效应晶体管这些最初的逆变焊机所用的元件,到现在的绝缘栅双极晶体管(IGBT)逆变焊机科学家们只用了很短的时间就达到了很高的成就,逆变焊机发展的如此快速,以及应用的如此广泛主要归于它焊接性能好、设备体积比较小、重量比较轻、容易运输以及操作的进行以及它设备的制造过程的成本相对于其他弧焊电源要低很多这些优点。
作为晶体管类弧焊逆变器的又一种形式——IGBT式弧焊逆变器,它出现于20世纪80年代,是一种复合型元器件,它的出现的目的是为了解决当时的应用的瓶颈问题,在20世纪80年代早期,中大型电力电子应用中的关键装置仍然是GTO晶闸管和双极型功率晶体管器件,然而在低电压的应用中,为了PWM控制载波频率的进一步提高,具有快速开关特性的MOS栅器件尤为重要,虽然MOSFET具有低的控制功率和快速开关特性并且没有二次击穿等优点,但是它的击穿电压增加后也会出现相应的缺点,它的导通电阻会断崖式增加这样会导致功率处理能力变得很低,此时需要采取多管并联的方式在电压较高的情况下进行工作,生产调试比较麻烦。为了适应更高的电压系统,IGBT功能管问世,它集合了场效应管和晶体管的优点,它的容量较大,生产调试相对其他的功能管来说比较方便,于是IGBT管很快得到了推广。
仿真对于分析与设计实际电路有着极大的作用,可以比较直观的在实际实验操作前看到相应的波形从而可以进行改进和推进设计的进程,所以采用计算机辅助仿真分析越来越有必要,越来越广泛了。常用的弧焊电源仿真方式通常有两种:一种是编辑完成电路中单个元器件模型,然后把众多单个元器件连成完整电路进行仿真;另一种是把整个逆变电源看成一个整体进行模拟仿真。本次课题两种仿真方法都有所涉及,目前常用的仿真分析软件有EWB、PROTEL、SPICE、MATLAB等等[8]。
本次课题要实现的工作是利用MATLAB软件对各类新型弧焊电源进行仿真分析,目的旨在为搭建弧焊电源的教学的虚拟平台做基础准备工作,该虚拟实验平台具有很大的实践意义,它能够大大的节约产品研发阶段以及试验阶段的成本耗费以及资源时间的耗费。
在环境以及社会方面这项研究也有很大的积极影响,它能够在降低耗材的同时极大地降低环境的污染,极大的缓解现在的资源紧缺以及环境污染严重的问题,能够大量节约社会资源,能够推进社会的发展能够推进素质文明,生态文明的建设,在社会上以及环境上能够起到非常好的带头作用。
1.2 国内外研究现状
随着弧焊电源技术的快速发展,特别是逆变技术的成熟,使得逆变电机在工业上的运用越来越广泛,从而弧焊逆变电源成为了非常具有前景的焊接设备。世界各国为了工业领域的进步都非常注重逆变焊机的发展,据资料报道,日本气保焊机的40%,整流焊机的30%,美国整流焊机的15%已采用逆变式焊机[3]。为了振兴工业,我国也开始了着手对新型逆变电源的研究与制造。目前国外发达国家的弧焊电源性能以及自动化数字化程度都比较高,尤其是有很多好的新型弧焊电源,而国内弧焊电源的制造与研究状况还处于与国民经济的需求不相适应的阶段,与世界工业发达国家相比,尚存在较大差距。
从1982年场效应管式弧焊逆变器被我国华南工学院的科研人员成功开发开始,我国的科研人员又成功的开发出了晶闸管式弧焊逆变器等新型的逆变电源,到目前为止我国的晶体管式逆变器、场效应管式逆变器以及IGBT式都走在国际前沿,在制造与生产方面也日渐成熟,但是目前我国的逆变电源技术还有很多不足和难题需要攻克,可以相信的是在科技日渐发展的今天随着我国科学家们的不断努力这些难题都会被一一克服。
1.3 本文的研究内容
- 学习并分析各个逆变电源(主要包括晶闸管弧焊整流器以及IGBT逆变电路的全桥电路以及半桥电路)的主电路的工作原理。
- 通过MATLAB对各个主电路进行正确建模,并运行仿真并得出需要得到的相应的电流电压波形图,把波形图与理论波形图进行对比验证仿真的正确性,以及通过调整相应的仿真参数改变电路的运行状态,把不同参数下的电路运行状态进行对比总结得出参数是如何影响电路运行的。
- 最后对比IGBT管与晶闸管的不同之处,总结仿真过程以及收获。
第2章 晶闸管式弧焊整流器
2.1 晶闸管式弧焊整流器的工作原理
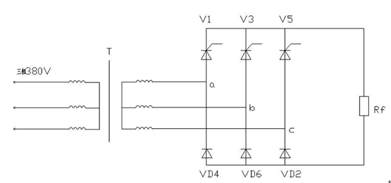
晶闸管式弧焊整流器是整流元件为晶闸管的弧焊电源,被称作晶闸管式弧焊整流器,又被叫作可控硅整流器。三相桥式半控电路、三相桥式全控电路、带平衡电抗器双反星形电路这三种电路形式是晶闸管弧焊整流器的主要主电路形式。下面进行研究的主要对象就是这三种主电路形式。
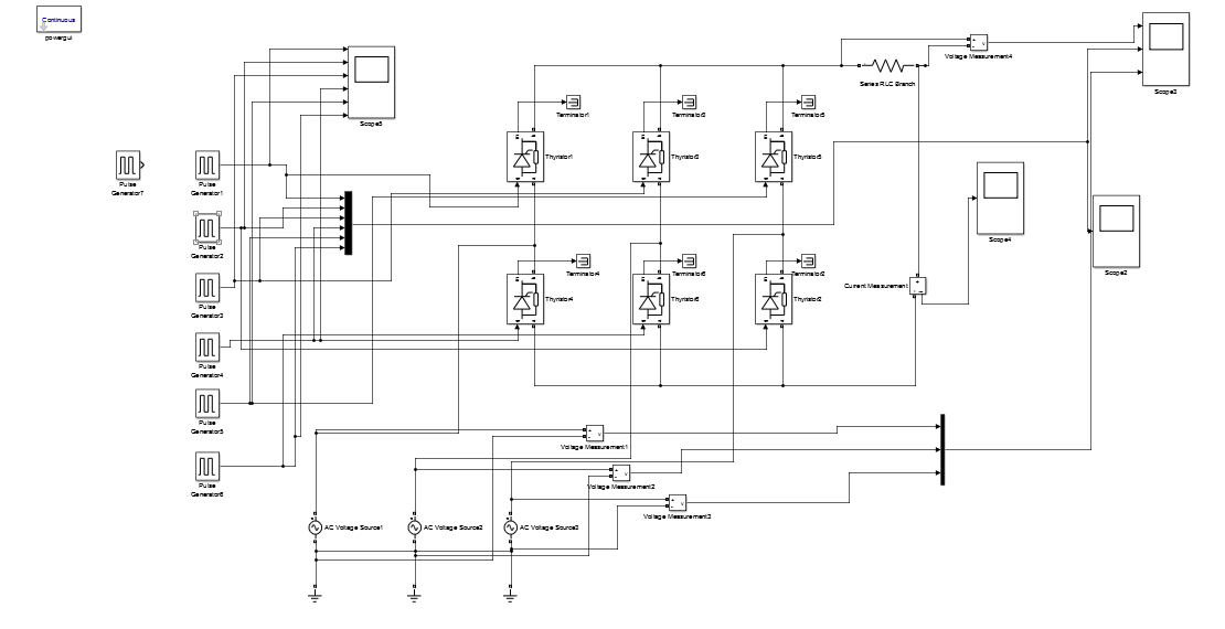
晶闸管式弧焊整流器的结构组成如图2.1所示。它主要由主电路、维弧电路以及控制电路、触发电路和比较电路组成,每个部分电路都具有相应的功能,主变压器T,晶闸管组V,直流电抗器构成要进行分析与仿真的的对象——主电路部分。二极管组VD和限流电阻R构成维弧电路。控制电路由给定电路G、触发电路、比较电路和检测电路M组成 [9]。其中触发电路的作用是通过设置触发脉冲对晶闸管进行控制,控制晶闸管的导通时间来进行对导通角α的控制,检测电路和比较电路是调控外特性的依据,它们通检测负载电流与电压来得出相应的比例值,通过改变这个值来达到改变弧焊电源外特性的目的。

图2.1 结构组成图
晶闸管式弧焊整流器的主要特点如下:
- 控制性能好:能够用比较小的功率进行控制,电压电流的调控范围很大。
- 响应速度快:其内部电感比较小,具有电磁惯性小。
- 调节性能好:晶闸管式弧焊整流器可以通过改变电压电流的比例来获得各种外特性,焊接电流以及焊接电压可以在较宽的范围内进行调节。
2.2 三相桥式半控整流电路分析与模拟
2.2.1工作原理
- 电阻性负载

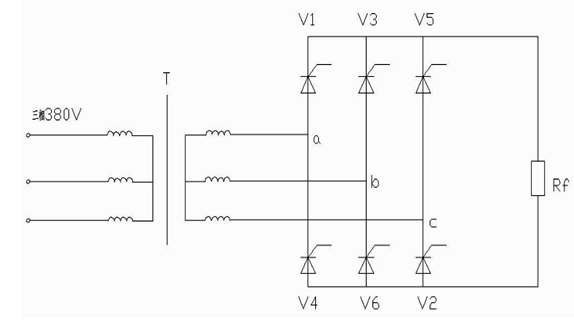
图2.2 连接电阻性负载电路图
这个电路导通的条件是右侧的电路能够形成通路,这样就需要一个晶闸管与一个二极管能够同时导通,只有满足了这个条件才能够让变压器二次侧形成通路,这样就需要触发电路来进行正确的触发,本次课题的研究对象不是触发电路,所以本文就只对触发电路输出的触发脉冲进行研究,这里需要让每个晶闸管的导通时间相差120度,这样才能够实现全触发。
- 连接电阻电感性负载时
图2.3中L为电抗器,Rf为电阻性负载,VD7为续流管,相比于电阻性负载时的主电路图可以发现此处在整流电路上多了一个VD7,它是续流管,续流管VD7的存在有很重要的作用,在负载电流Uf为零时由于有感性负载的存在,会有感生电动势L会产生,它会维持电流id不中断,在自然换向点时,L上的自感电动势会继续为上一个导通的晶闸管提供正向电压使其不能够及时关断,导通的时间由L中储存的能量的大小决定,就是因为这个原因,这样会导致触发电路失去对晶闸管的导通角的控制,还有当L非常大时,产生的感生电流会变得很大这样就会产生另一个问题,过大的感生电流很容易就会让晶闸管损坏,所以连接电阻电感性负载时需要加上续流管VD7,加上续流管后才不会出现上述的问题,整流器输出的电压电流波形才会与连接电阻性负载时相同。

图2.3 连接电阻电感性负载电路图
2.2.2建立仿真模型
- 建立三相桥式半控电路连接电阻性负载时的电路模型

图2.4 电阻性负载的仿真电路
触发脉冲设置脉冲高度为1,脉冲频率为50HZ,脉冲占空比为百分之20 脉冲延迟时间应根据触发角来设置
t= α Td/360° (2.1)
在公式(2.1)中Td=1/f=1/50=0.02 α为控制角 脉冲延迟与控制角α有关
当控制角α为0°时,VT1的导通时间为0.02/12s,则VT2的导通时间为0.02/12 0.02/3s,则VT3的导通时间再向后延迟120度也就是还需要加上0.02/3。当控制角为60度以及30度时设置触发脉冲的相位延迟以及晶闸管导通的时间的原理和控制角为0度时相同,都是根据在自然换向点后延迟多少度进行触发和每个晶闸管之间相差120度导通这两个依据来进行设置。
- 建立三相桥式半控整流电路连接电阻电感性负载时的电路模型

图2.5 电阻电感性负载的仿真电路
对于电路中其他元件参数的设置根据实际工作中的各个电路元件的实际参数来进行设置,三相电源设置有效值为380V,每相之间的相位差为120度,频率为我国的电网频率50HZ,晶闸管以及二极管使用的仿真软件中的默认参数,负载中所选用的电阻根据实际使用的情况取R=10Ω,图2.5中增加的二极管用默认参数,电感L参数设为100e-6H。
2.2.3仿真结果
- 电阻性负载的仿真结果
本次对此电路进行的仿真实验主要得到三个波形,第一个是触发脉冲的波形用Ug表式第二个就是负载两端的电压用Ud表示以及三相电源的输出电压用U2进行表示。
- α为0°时,三个电压的波形图如图2.6所示。

图2.6 α为0 时的Ug、Ud、U2波形图
- α为30°时,三个电压的波形图如图2.7所示。

以上是毕业论文大纲或资料介绍,该课题完整毕业论文、开题报告、任务书、程序设计、图纸设计等资料请添加微信获取,微信号:bysjorg。
相关图片展示:









